历史上的今天
今天是:2024年12月08日(星期日)
2020年12月08日 | STM32——DMA
2020-12-08 来源:elecfans
DMA 是为CPU分担数据转移的工作。因为DMA的存在CPU才被解放出来,它可以在 DMA 转移数据的过程中同时进行数据运算、响应中断,大大提高效率。
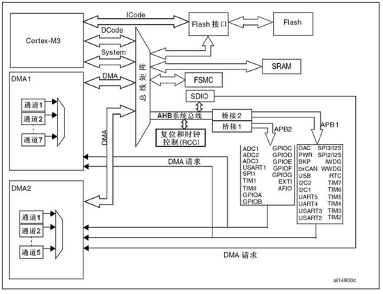
1、DMA工作分析

数据传输的过程中,不需要内核的全程参与,所以内核可以同时进行数据运算。DMA 方式是点到点的数据转移,而不使用 DMA 方式还要以内核来作为中转站,显然 DMA 传输方式的效率更高。
要使用 DMA,需要确定一系列的控制参数,如外设数据的地址、内存地址、传输方向等,在开启 DMA 传输前还要先发出 DMA 请求。
2、 初始化DMA
typedef struct
{
uint32_t DMA_PeripheralBaseAddr;
uint32_t DMA_MemoryBaseAddr;
uint32_t DMA_DIR;
uint32_t DMA_BufferSize;
uint32_t DMA_PeripheralInc;
uint32_t DMA_MemoryInc;
uint32_t DMA_PeripheralDataSize;
uint32_t DMA_MemoryDataSize;
uint32_t DMA_Mode;
uint32_t DMA_Priority;
uint32_t DMA_M2M;
} DMA_InitTypeDef;
(1)DMA_PeripheralBaseAddr:这个成员保存的是外设数据寄存器的基地址,这个地址作为传输的源或目标。DMA 具有地址自增的功能,地址自增功使得可以方便地读取连续的 数据单元 。现在给这个成员的赋USART1_DR_Base,是一个自定义的宏:
#define USART1_DR_Base 0x40013804【串口外设会自动把数据寄存器中的数据,送入它的移位寄存器,然后由硬件按照串口协议把该数据发送出去。】
(2)DMA_MemoryBaseAddr:保存了内存的基地址,同样,这个地址可作为传输的源或目标。在使用时通常会给这个成员赋值为某个数组的基地址,然后利用 DMA 的地址自增功能把数组一个个地填满。在本代码中向这个成员赋值为 SendBuff,这是一个自定义的数组变量名。
(3)DMA_DIR:保存了 DMA 数据传输方向,可以选择是外设到内存还是内存到外设。
(4)DMA_BufferSize:保存了 DMA 要传输的数据总大小,其单位为后面结构体成员。
(5)DMA_PeripheralInc/DMA_MemoryInc:分别为外设和内存的地址是否开启自增功能。
(6)DMA_PeripheralDataSize/ DMA_MemoryDataSize:分别为外设和内存的数据单元大小。可以为字节、半字和字。
(7)DMA_Mode:保存了 DMA 的模式,可以为循环模式或正常模式,循环模式即在传输完一轮数据之后再重新传输,这种方式很适合 ADC 不断采集数据的场合。
(8)DMA_Priority:DMA 通道的优先级,总线矩阵根据其 DMA 通道的优先级进行总线协调分配。
(9)DMA_M2M:保存了是否内存到内存的 DMA 传输。DMA 传输可以在外设与内存、外设与外设以及内存与内存之间进行。

// 初始化DMA主要是开启外设时钟、填充初始化结构体以及使能外设。
void USART1_DMA_Config(void)
{
DMA_InitTypeDef DMA_InitStructure;
RCC_AHBPeriphClockCmd(RCC_AHBPeriph_DMA1, ENABLE); /*开启 DMA 时钟*/
DMA_InitStructure.DMA_PeripheralBaseAddr = USART1_DR_Base; /*设置 DMA 源:串口数据寄存器地址*/
DMA_InitStructure.DMA_MemoryBaseAddr = (u32)SendBuff; /*内存地址(要传输的变量的指针)*/
DMA_InitStructure.DMA_DIR = DMA_DIR_PeripheralDST; /*方向:从内存到外设*/
DMA_InitStructure.DMA_BufferSize = SENDBUFF_SIZE; /*传输大小DMA_BufferSize=SENDBUFF_SIZE*/
DMA_InitStructure.DMA_PeripheralInc = DMA_PeripheralInc_Disable; /*外设地址不增*/
DMA_InitStructure.DMA_MemoryInc = DMA_MemoryInc_Enable; /*内存地址自增*/
DMA_InitStructure.DMA_PeripheralDataSize = DMA_PeripheralDataSize_Byte; /*外设数据单位*/
DMA_InitStructure.DMA_MemoryDataSize = DMA_MemoryDataSize_Byte; /*内存数据单位 8bit*/
DMA_InitStructure.DMA_Mode = DMA_Mode_Circular; /*DMA 模式:不断循环*/
DMA_InitStructure.DMA_Priority = DMA_Priority_Medium; /*优先级:中*/
DMA_InitStructure.DMA_M2M = DMA_M2M_Disable; /*禁止内存到内存的传输 */
/*配置 DMA1 的 4 通道 根据 DMA 的请求映像来设置 */
DMA_Init(DMA1_Channel4, &DMA_InitStructure);
DMA_Cmd (DMA1_Channel4, ENABLE); /*使能 DMA*/
//DMA_ITConfig(DMA1_Channel4,DMA_IT_TC,ENABLE);//配置 DMA 发送完成后产生中断
}
上一篇:STM32——按键
下一篇:STM32——ADC
史海拾趣
|
如果同时掌握了arm和cpld会不会有所帮助? 来自EEWORLD合作群:arm linux fpga 嵌入0(49900581)群主:wangkj… 查看全部问答> |
|
能够记录机器里面播放的声音,或者使用麦克可以录音,但就是不能同时实现卡拉ok混音功能。怎么办,网上找到的补丁都用过了,就是不能用混音。 高手在哪里?… 查看全部问答> |
|
WINCE在开机后自动弹出来一个WIFI无线配置的窗口,但是这个窗口比LCD高了,有没有好办法把这个窗口缩小一点呀!如果单改代码来缩小窗口,那窗口上的控件也要调整,比较麻烦,改资源文件又好像只有英文版的才有效,哪位前辈能给小弟一点建议呀?!… 查看全部问答> |
|
我的是一个协议层驱动,有个疑问就是 A.使用CreateService,OpenService,QueryServiceStatus及StartService等一系列API安装起来的驱动 B.使用Inf文件及INetCfg的COM接口安装的驱动 问题是 1.这两种方式有什么不同? 2.为什么A安装后\"本地连接\" ...… 查看全部问答> |
|
开关电源组件选择 开关电源组件选择 (Switch-Power-Supply-Component-Selection) 开关电源深入浅出之设计选型篇,作为能量转换的装置-电源,此篇告诉你想了解的储能元器件类型和如何选择,理解并能优化选择电容和电感 课程大纲: 拓扑敏感回路 ...… 查看全部问答> |




