两台西门子S7-200 SMART PLC通过Modbus RTU协议通讯的流程简析
2025-03-03 来源:elecfans
通讯材料:
1)、PLC2台,分别是200SMART 的CR60和SR20;
2)、2个DP插头(6ES7972-0BX12-0XA0)
3)、连接导线若干(plc电源及通讯)
验证内容:
令:CR60 PLC为主站,发送PLC系统时钟(8个字节的信息)给SR20从站;SR20从站发送一个双字的循环移位数据给主站,并由通讯数据VD100接收输出到QD0。
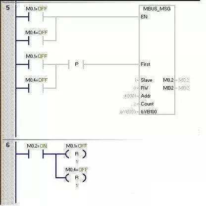
主站程序:

在验证过程中曾经出现一个错误,使MSG指令始终显示为6,表示从站无响应。我验证时,由于连接2台plc之间的3+、8-没有确认,造成接线错误,使MSG的error错误信息为6,检查后找到原因,重新接线后仍然报警6。最后检查为控制程序不完整,主要原因是没有给MB0一个初始化操作,造成错误值没有得到有效的刷新。于是,在程序段1中加入初始化操作得到解决。


主站MSG指令主要理解Addr地址的应用,下面有描述。

从站程序:从站通讯地址设置为1#


从站自VB31开始为读取主站VB11开始的8个字节主站系统时钟数据,指定VB31的起始地址是由Addr地址40011定义的,从站循环指令VD11运行结果,将由Mbus_init的Holdstart定义的起始地址发送和接收。
编写小结:
自简而深进行编写Modbus RTU通讯程序,相对从站通讯程序比较简单,仅仅只是指定通讯种类由
Mbus_init
管脚指定maxIQ/maxAI/maxHOLD/Holdstart定义,其它管脚根据主站定义匹配进行,相对主站需要根据从站地址偏移量来确定。
通讯数据:

Modbus通讯程序相对的难点是通讯映射的地址关系。
主站读取从站的数据,起始地址是根据从站Holdstart管脚定义的起始地址开始算,而不是指从站的V区物理地址。在验证程序中,从站的Mbus_init起始地址为VB11,那么,主站MSG指令的Addr 40001,应该是指从站的VB11地址。
同理,从站读取主站系统时钟,主站的MSG指令的Addr 40011,对应到从站的地址相当于偏移了10个字(偏移量10word + 11byte = 31byte) ,即为VB31开始的8个字节中存放,Modbus通讯地址计算是40001开始的。
下一篇:什么是减速电机的减速比呢?
- 智领 Agentic 时代:Mendix 11.8 发布,开启“低代码 + AI Agent”协作新范式
- 定制化 AI 解决方案,决胜智造未来
- 西门子收购Canopus:引入“AI显微镜”技术,让造芯更准、更快
- 告别“单点狂欢”:为什么“端到端流程自动化”是 2026 年企业的必答题?
- 以数字之翼,重塑苍穹——2026 航空航天行业展望
- 从“中国实践”到“全球样板”:西门子 Mendix 重构跨国工厂数字化新范式
- 西门子推出 Digital Twin Composer,推动工业元宇宙落地
- 工业无线数传模块实现西门子S7-300与S7-200 SMART间300米Profinet无线通讯
- 西门子发布全新 PAVE360 Automotive,借助真实场景验证赋能下一代汽车研发
- 2026 年数字化程度展望
- 嵌入式的风向变了:2026纽伦堡嵌入式展透露这些趋势
- 高通确认不在GDC 2026发布新款骁龙G系列掌机处理器SoC
- 行业评论 从工具到平台:如何化解跨架构时代的工程开发和管理难题
- 阿里达摩院发布玄铁C950,打破全球RISC-V CPU性能纪录
- 面向嵌入式部署的神经网络优化:模型压缩深度解析
- Mujoco中添加Apriltag标签并实现相机识别教程
- 摩尔线程MTT S5000全面适配Qwen3.5三款新模型
- 英飞凌与宝马集团携手合作,基于Neue Klasse架构塑造软件定义汽车的未来
- 物理AI仿真新突破:摩尔线程与五一视界共建全栈国产化生态
- 爆火的OpenClaw! 告别云端,米尔RK3576开发板本地部署
- Altera 与 Arm 深化合作,共筑 AI 数据中心高效可编程新方案
- 莱迪思加入英伟达 Halos生态系统,通过Holoscan传感器桥接技术提升物理人工智能安全性
- 芯科科技闪耀2026嵌入式世界展 以Connected Intelligence赋能,构建边缘智能网联新生态
- 边缘计算主机盒选购指南:五大核心指标解析
- Arm AGI CPU 更多细节:台积电 3nm 制程、Neoverse V3 微架构
- Arm AGI CPU 重磅发布:构筑代理式 AI 云时代的芯片基石
- Arm 拓展其计算平台矩阵,首次跨足芯片产品
- 阿里达摩院发布RISC-V CPU玄铁C950,首次原生支持千亿参数大模型
- 边缘 AI 加速的 Arm® Cortex® ‑M0+ MCU 如何为电子产品注入更强智能




