实时自控 精准调速 | 极海G32R501 2.2kW高性能矢量变频器参考方案
2025-03-28 来源:elecfans
工业互联网、人工智能、物联网等创新技术的快速发展,推动变频器行业加速向智能化、数字化方向迈进。变频器不仅具备调速和节能功能,还能融合远程监控、故障预测和自适应控制等技术,显著提升设备的运行效率和稳定性,同时降低能耗和排放。这些特性使其更符合国际节能减排目标要求。
极海2.2kW高性能 矢量变频器参考方案介绍
极海G32R501 2.2kW高性能通用矢量变频器参考方案,主要用于控制和调节三相交流同步电机的速度和转矩。采用高性能的矢量控制技术,低速高转矩输出,具有良好的动态特性、超强的过载能力、增加了用户可编程功能及后台监控软件,通讯总线功能,支持多种PG卡等,组合功能丰富强大,性能稳定。
可用于纺织、造纸、拉丝、机床、包装、食品、 风机、水泵及各种自动化生产设备的驱动。

方案部分参数

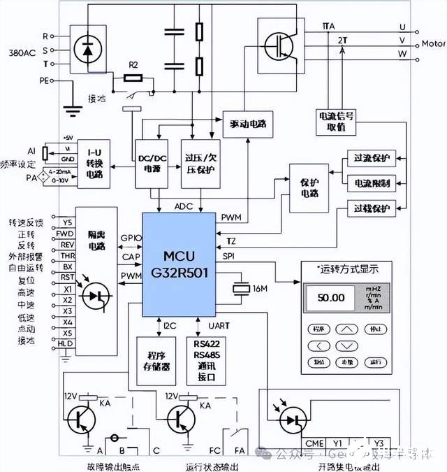
变频器原理图
软硬件介绍
G32R501 2kW变频器参考方案,由功率板、控制板、按键显示板组成。

变频器实物图
本方案搭载无感观测器,实现高性能无感FOC控制,可实现调速范围:1:200;转速精度:±0.5%;转矩精度:5Hz以上±0.5%

变频器无感控制图
方案优势
■ 基于G32R501实时控制MCU的单芯片方案
■ 支持零速度切换,瞬停不停,提高设备运行的稳定性、安全性和连续性
■ 支持电机参数静态辨识(电阻/电感/磁链)
■ 同步电机驱动超强过载能力(可调可设),提供更高灵活性和可靠性
■ 载波频率:0.8kHz~16kHz,可根据负载特性自动运行,在控制精度、噪声、效率和适应性等方面具有显著优势
■ PI自整定:模型参考自适应,自动优化控制参数,提高控制精度、动态响应和系统稳定性

采用G32R501芯片在240MHz主频下,单核FLASH中运行时(路径:ITCM → FACC → Flash),控制环路周期:62.5μs,优化等级为O2状态下,环路执行时间:<19.8μs(同类产品执行时间为24μs)。


正反转零速切换
支持正反转运行,实现零速度自由切换。通过优化控制策略在正反转切换时设置合理的过渡区和切换逻辑,实现电机在零速时的平滑切换,并采用状态机的滞环切换方案,确保电机在正反转切换时不会出现机械特性反转。

IPD初始位置检测
采用脉冲注入法:假定转子处于某一位置建立 dq 坐标系,将 0-360 电区间划分成 N 份,在每个区间打出等幅值脉冲并采集AB相电流。由于转子磁效应会影响电流变化率,和 S 极方向相同方向的电流变化率越大,和 N 极相同方向电流的变化率越小,找出电流变化率最大的脉冲对应的电角度,再叠加上代码假定的初始角度,即为转子的初始位置,在此基础上还可利用增量式光电编码器数值做抖动补偿。
参数辨识
支持电机参数静态辨识(电阻/电感/反电动势(磁链)),PI参数自整定,无需人工调试,一键运行。
■ 电阻识别技术:采用直流注入法,给电机绕组施加直流电压,测量绕组中的直流电流,根据欧姆定律计算电阻,并对电流和电压进行低通滤波。
■ 电感识别技术:采用脉冲电压法,在准确的两相旋转坐标系的 d、q 轴上注入正反向的高频脉冲电压,依据电压方程计算出 d、q 轴电感。
■ 反电动势识别技术:采用状态观测器,通过对电机转子位置、速度和电流等状态的估计,实现对反电动势的观测和估计。
■ PI参数自整定:通过建立闭环电机模型,引入临界增益和临界周期来确定最佳的Kp和Ki值。
通过以上技术,可实现无传感器高精度控制。
G32R501芯片特性
■ 内核与存储:基于Cortex-M52双核架构,主频250MHz,配备紧耦合内存(ITCM、DTCM)、I/D-Cache,Flash预取,实时性能高;
■ 扩展指令:极海自研紫电数学指令扩展单元,支持CRC运算、Viterbi、三角函数、除法、开方等数学运算;
■ 增强型控制外设:
· 16个PWM通道,多通道同步性能高,助力低速精准电机控制;
· 灵活的IP联动功能,PWM模块具有额外两个比较子模块(CMPC、CMPD)专门用于产生同步事件,可在计数器任意时刻产生事件,同步事件可传递至任一PWM模块同步PWM相位,并触发ADC开始采样;
■ 高精度模拟外设:
· 3个3.45MSPS的12-bit高速ADC,快速准确采集模拟信号,减小信号延迟;
· ADC支持3.3V/2.5V内部参考源,2.5V参考源时,电压分辨率可提升32%,提高反馈信号采样精度;
■ 丰富通信接口:CAN×2、I2C×1、UART×2、SPI×2、QSPI×1、LIN、PMBus×1。

极海G32R501 2kW高性能矢量变频器量产级参考方案,涵盖完整的软硬件设计,可提供全功能软件固件和变频器控制上位机PC调试工具,支持参数设置、JOG调试、故障排查、波形分析等功能;方案配有详细使用指南,方便工程师快速进行上手使用、性能评估以及二次开发。
- 极海携手大道半导体推出高性能ADB大灯解决方案
- 极海半导体与富玉隆达成深度战略合作
- 极海X富玉隆:联合打造汽车车灯核心方案,以MCU+LED驱动控制器加速智能照明普及
- 极海APM32F407工业HMI应用方案助您增强交互体验
- 极海半导体亮相2025世界人工智能大会
- 极海G32R501工业六轴机械臂参考方案释放工业4.0产业价值
- 基于极海APM32E030的磁电式绝对值编码器参考方案,加速工业智能化转型
- 应对机器人“四高”,极海推出全球首款双核Cortex-M52 MCU G32R501
- 极海与广汽集团联合发布国产首款AK2超声波传感器芯片
- IAR携手极海半导体,高效开发全球首款基于Cortex-M52的G32R501实时控制MCU
- 嵌入式的风向变了:2026纽伦堡嵌入式展透露这些趋势
- 高通确认不在GDC 2026发布新款骁龙G系列掌机处理器SoC
- 行业评论 从工具到平台:如何化解跨架构时代的工程开发和管理难题
- 面向嵌入式部署的神经网络优化:模型压缩深度解析
- 摩尔线程MTT S5000全面适配Qwen3.5三款新模型
- 阿里达摩院发布玄铁C950,打破全球RISC-V CPU性能纪录
- Mujoco中添加Apriltag标签并实现相机识别教程
- 英飞凌与宝马集团携手合作,基于Neue Klasse架构塑造软件定义汽车的未来
- 物理AI仿真新突破:摩尔线程与五一视界共建全栈国产化生态
- 爆火的OpenClaw! 告别云端,米尔RK3576开发板本地部署
- 莱迪思加入英伟达 Halos生态系统,通过Holoscan传感器桥接技术提升物理人工智能安全性
- 芯科科技闪耀2026嵌入式世界展 以Connected Intelligence赋能,构建边缘智能网联新生态
- 边缘计算主机盒选购指南:五大核心指标解析
- Arm AGI CPU 更多细节:台积电 3nm 制程、Neoverse V3 微架构
- Arm AGI CPU 重磅发布:构筑代理式 AI 云时代的芯片基石
- Arm 拓展其计算平台矩阵,首次跨足芯片产品
- 阿里达摩院发布RISC-V CPU玄铁C950,首次原生支持千亿参数大模型
- 边缘 AI 加速的 Arm® Cortex® ‑M0+ MCU 如何为电子产品注入更强智能
- 阿里达摩院发布玄铁C950,打破全球RISC-V CPU性能纪录




