SIMATIC S7-1500 PLC接通延时定时器SD介绍
2025-09-17 来源:elecfans
接通延时定时器(SD)介绍:
接通延时定时器(SD)相当于继电器接触器控制系统中的通电延时时间继电器。通电延时继电器的工作原理是:线圈通电,触点延时一段时间后动作。SD指令是当逻辑位接通时,定时器开始定时,计时过程中,定时器的输出为“0”,定时时间到,输出为“1”,整个过程中,逻辑位要接通,只要逻辑位断开,则输出为“0”。接通延时定时器最为常用。
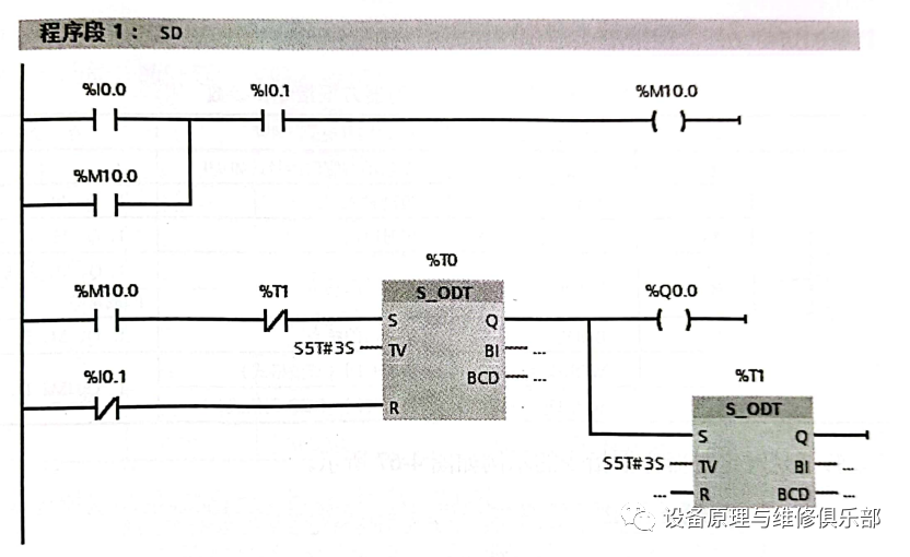
用一个例子来说明SD线圈指令的使用,梯形图如图1所示:

图1
对应的时序图如图2所示:

图2
当I0.0闭合时,定时器T0开始定时,定时1s后(I0.0一直闭合),Q0.0输出高电平“1”,若I0.0的闭合时间不足1s,Q0.0输出为“0”,若I0.0断开,Q0.0输出为“0”。无论什么情况下,只要复位输入端起作用,本例为I0.1闭合,则定时器复位,Q0.0输出为“0”。
TIA博途软件除了提供接通延时定时器线圈指令外,还提供更加复杂的方框指令来实现相应的定时功能。接通延时定时器方框指令和参数见图3所示:

图3
接通延时定时器方框指令如下图4所示:

图4
【例1】设计一段程序,实现一盏灯灭3s,亮3s,不断循环,且能实现启停控制。
【解】接线图如图5所示:

图5
梯形图如图6所示:

图6
这个梯形图比较简单,但初学者往往不易看懂。控制过程是:当SB1合上,定时器T0定时3s后Q0.0控制的灯灭,与此同时定时器T1启动定时,3s后,T1的常闭触点断开切断T0,进而T0的常开触点切断T1;此时T1的常闭触点闭合T0又开始定时,Q0.0灯亮,如此周而复始,Q0.0控制灯闪烁。
另一种方法梯形图:

相关文章
- SIMATIC S7-1500 PLC 变量表定义全局符号和导出和导入变量表
- SIMATIC S7-1500 PLC的编程语言介绍
- SIMATIC S7-1500 PLC强制表
- SIMATIC S7-1500 PLC边沿检测指令
- SIMATIC S7-1500 PLC边沿检测指令与应用
- SIMATIC S7-1500 PLC定时器—保持型接通延时定时器介绍
- SIMATIC S7-1500 PLC IEC定时器介绍
- SIMATIC S7-1500 PLC SIMATIC加计数器
- SIMATIC S7-1500 PLC SIMATIC计数器-加计数器
- S7-1500系列PLC+变频器+编码器组成位置控制系统设计原理
- 嵌入式的风向变了:2026纽伦堡嵌入式展透露这些趋势
- 高通确认不在GDC 2026发布新款骁龙G系列掌机处理器SoC
- 行业评论 从工具到平台:如何化解跨架构时代的工程开发和管理难题
- 阿里达摩院发布玄铁C950,打破全球RISC-V CPU性能纪录
- 面向嵌入式部署的神经网络优化:模型压缩深度解析
- Mujoco中添加Apriltag标签并实现相机识别教程
- 摩尔线程MTT S5000全面适配Qwen3.5三款新模型
- 英飞凌与宝马集团携手合作,基于Neue Klasse架构塑造软件定义汽车的未来
- 物理AI仿真新突破:摩尔线程与五一视界共建全栈国产化生态
- 爆火的OpenClaw! 告别云端,米尔RK3576开发板本地部署
热门新闻
- Altera 与 Arm 深化合作,共筑 AI 数据中心高效可编程新方案
- 莱迪思加入英伟达 Halos生态系统,通过Holoscan传感器桥接技术提升物理人工智能安全性
- 芯科科技闪耀2026嵌入式世界展 以Connected Intelligence赋能,构建边缘智能网联新生态
- 边缘计算主机盒选购指南:五大核心指标解析
- Arm AGI CPU 更多细节:台积电 3nm 制程、Neoverse V3 微架构
- Arm AGI CPU 重磅发布:构筑代理式 AI 云时代的芯片基石
- Arm 拓展其计算平台矩阵,首次跨足芯片产品
- 阿里达摩院发布RISC-V CPU玄铁C950,首次原生支持千亿参数大模型
- 边缘 AI 加速的 Arm® Cortex® ‑M0+ MCU 如何为电子产品注入更强智能
最新频道文章




