PLC与各种传感器连接方案
2025-11-04 来源:elecfans
在工业现场中,压力、位移、温度、流量、转速等各类模拟量传感器因设计使用的技术方法不同。传感器工作配电的方式主要分为两线制和四线制,其输出的模拟信号也各有差异,而常见的有0-20mA、4-20mA电流信号和0-75mV、0-5V、1-5V电压信号。
要把各类传感器模拟信号成功采集到PLC/DCS/FCS/MCU/FA/PC系统,就要根据传感器与数据采集系统的功能和技术特点进行匹配选型,同时也要考虑到工业现场传感器与PLC等数据采集系统的供电差异及各种EMC干扰的影响,通常把传感器输出的模拟信号隔离、放大、转换后送到PLC等数据采集系统。
PLC通过信号线采集传感器的模拟或数字信号,然后进行处理,如果传感器是模拟输出,PLC就要接模拟输入接口,如果传感器是数字信号输出,PLC就要接数字输入接口。
开关量传感器就是一个无触点的开关,开关量传感器可作为PLC的开关量输入信号。一般用于开关量控制的设备,机床,机器等。
模拟量传感器是把不同的物理量(如压力、流量、温度)转换成模拟量(4-20MA的电流或1-5V的电压)。
模拟量传感器作为PLC的模拟量输入模块的输入信号。一般用于过程控制。
数字传感器是指将传统的模拟式传感器经过加装或改造A/D转换模块,使之输出信号为数字量(或数字编码)的传感器,主要包括:放大器、A/D转换器、微处理器(CPU)、存储器、通讯接口电路等。
常用的模拟量传感器分为两线制和四线制,两线制和四线制都只有两根信号线,它们之间的主要区别在于:两线制的两根信号线既要给传感器或者变送器供电,又要提供电流电压信号;而四线制的两根信号线只提供电流信号。
通常提供两线制电流电压信号的传感器或者变送器是无源的;而提供四线制电流信号的传感器或者变送器是有源的。因此,当PLC等数据采集系统的模板输入通道设定为连接四线制传感器时,PLC只从模板通道的端子上采集模拟信号,而当PLC等数据采集系统的模板输入通道设定为连接二线制传感器时,PLC的模拟输入模板的通道上还要向外输出一个直流24V的电源,以驱动两线制传感器工作。

4-20mA和电工标准有关,4-20mA信号制是国际电工委员会(IEC)过程控制系统用模拟信号标准。我国从DDZ-Ⅲ型电动仪表开始采用这一国际标准信号制,仪表传输信号采用4-20mA,联络信号采用1-5VDC,即采用电流传输、电压接收的信号系统。
因为信号起点电流为4mA,为变送器提供了静态工作电流,同时仪表电气零点为4mA,不与机械零点重合,这种活零点有利于识别断电和断线等故障。
1、两线制电流/电压输出传感器(无供电电源,由负载提供16—24V配电,输出4-20mA/0-5V)。
1.1两线制无源4-20mA输入型传感器,经电流隔离配电器配电后与PLC连接。如图1所示,称重、测距传感器正端接16—24VDC,负端输出4-20mA电流。

图1 两线制4-20mA隔离配电器典型应用图
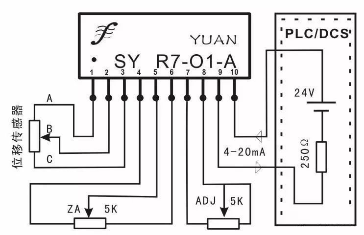
1.2两线制无源电压信号输入型传感器,经电压配电器配电后与PLC连接。如图2、图3所示,位移、电子尺传感器正端、负端接16—24VDC电压。

图2 非隔离两线无源电压配电器

图3 隔离型电压配电器
如图4、图5所示,应力片、称重电桥传感器正端、负端接16—24VDC电压。

图4 隔离型电压信号转换放大

图5 隔离型电桥电压配电器
1.3两线制传感器输出4-20mA电流环路经隔离器隔离后与PLC连接。如图6所示,压力、流量传感器正端接9—32VDC,负端输出4-20mA电流。

图6 两线制4-20mA电流环路隔离器典型应用图
1.4 两线制传感器输出4-20mA电流经隔离调理匹配(解决输入输出间冲突)后与PLC连接。如图7所示,温度、转速传感器正端接12—24VDC,负端输出4-20mA电流。

图7 两线制4-20mA信号与PLC匹配隔离调理典型应用图
2、四线制电流/电压(输入/输出)型传感器(有自己的供电电源24VDC,输入/输出:4-20mA或0-5V)。
2.1 四线制电流输出型传感器经模拟信号隔离放大后与PLC连接。如图8所示,温度、湿度传感器正端接24VDC,负端输出4-20mA电流。

图8 四线制传感器信号I/I隔离放大后与PLC连接典型应用图
如图9所示,压力、转速传感器正端接24VDC,负端输出4-20mA电流。

图9 四线制传感器信号I/V转换后与PLC连接典型应用图
2.2 四线制电压输出型传感器经模拟信号隔离放大后与PLC连接。如图10所示,压力、转速传感器正、负端接24V电源,输出端输出0-5V电压。

图10 四线制传感器信号V/I转换后与PLC连接典型应用图
如图11所示,液位、流量传感器正、负端接24V电源,输出端输出0-5V电压。

图11 四线制传感器信号V/V隔离后与PLC连接典型应用图
- 嵌入式的风向变了:2026纽伦堡嵌入式展透露这些趋势
- 高通确认不在GDC 2026发布新款骁龙G系列掌机处理器SoC
- 行业评论 从工具到平台:如何化解跨架构时代的工程开发和管理难题
- 面向嵌入式部署的神经网络优化:模型压缩深度解析
- 摩尔线程MTT S5000全面适配Qwen3.5三款新模型
- Mujoco中添加Apriltag标签并实现相机识别教程
- 英飞凌与宝马集团携手合作,基于Neue Klasse架构塑造软件定义汽车的未来
- 物理AI仿真新突破:摩尔线程与五一视界共建全栈国产化生态
- 阿里达摩院发布玄铁C950,打破全球RISC-V CPU性能纪录
- 爆火的OpenClaw! 告别云端,米尔RK3576开发板本地部署
- 边缘计算主机盒选购指南:五大核心指标解析
- Arm AGI CPU 更多细节:台积电 3nm 制程、Neoverse V3 微架构
- Arm AGI CPU 重磅发布:构筑代理式 AI 云时代的芯片基石
- Arm 拓展其计算平台矩阵,首次跨足芯片产品
- 阿里达摩院发布RISC-V CPU玄铁C950,首次原生支持千亿参数大模型
- 边缘 AI 加速的 Arm® Cortex® ‑M0+ MCU 如何为电子产品注入更强智能
- 阿里达摩院发布玄铁C950,打破全球RISC-V CPU性能纪录
- VPU中的“六边形战士”:安谋科技Arm China发布“玲珑”V560/V760 VPU IP
- 利用锚定可信平台模块(TPM)的FPGA构建人形机器人安全




