江苏润石三通道高侧LED驱动芯片RS3703-Q1介绍
2025-06-26 来源:elecfans
RS3703-Q1是一款三通道高侧LED驱动芯片,采用车规级工艺,最大化安全余量设计,具有高达45V的耐压承受能力,每一通道均提供最大150mA的驱动电流,支持PWM亮度调光,并提供全面的自诊断功能,包括LED开路、对地短路以及单个LED短路检测。

RS3703-Q1主要设计用于应用于车尾灯、高位刹车灯、侧标志灯驱动,以及车内小灯的驱动,比如各种指示灯、顶灯、阅读灯、氛围灯。
主要特性如下:
Ø输入电压支持4.5V~40V,极限耐压高达45V
Ø通过外部分流电阻实现热共享功能
Ø三通道高精度电流调光
每通道最大150mA输出电流
全温度范围内±5%控制精度
通过外部电阻设置电流
支持PWM独立调光
支持非板载亮度分级电阻
支持外部NTC温度检测进行电流调节
Ø低Dropout电压,315mV@150mA
Ø提供自诊断和保护功能:
LED开路,具有自动恢复功能
LED对地短路检测,具有自动恢复功能
单LED短路检测及自动恢复
支持自诊断并具有可调阈值
可配置为连带失效或仅失效通道关闭的故障总线(N-1)
支持热关断
Ø工作结温范围:-40°C ~ 150°C

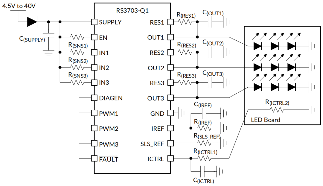
图1 典型应用电路
乘用车各部件的供电目前仍然以12V电压总线为标准,接口热插拔瞬间或者传统油车在打火瞬间电池的浪涌电压,在电路设计时工程师都会重点防范,选用高耐压的降压芯片会有更加可靠的安全余量。RS3703-Q1高达45V的耐压余量提供了可靠的应对能力,可以轻松应对这些浪涌电压的冲击。

图2 封装和管脚定义
RS3703-Q1系列提供ETSSOP20封装,管脚排列完全兼容TPS92633-Q1,欢迎各界工程师索样对比评测。

- 嵌入式的风向变了:2026纽伦堡嵌入式展透露这些趋势
- 高通确认不在GDC 2026发布新款骁龙G系列掌机处理器SoC
- 行业评论 从工具到平台:如何化解跨架构时代的工程开发和管理难题
- 面向嵌入式部署的神经网络优化:模型压缩深度解析
- 摩尔线程MTT S5000全面适配Qwen3.5三款新模型
- 阿里达摩院发布玄铁C950,打破全球RISC-V CPU性能纪录
- Mujoco中添加Apriltag标签并实现相机识别教程
- 英飞凌与宝马集团携手合作,基于Neue Klasse架构塑造软件定义汽车的未来
- 物理AI仿真新突破:摩尔线程与五一视界共建全栈国产化生态
- 爆火的OpenClaw! 告别云端,米尔RK3576开发板本地部署
热门新闻
- 莱迪思加入英伟达 Halos生态系统,通过Holoscan传感器桥接技术提升物理人工智能安全性
- 芯科科技闪耀2026嵌入式世界展 以Connected Intelligence赋能,构建边缘智能网联新生态
- 边缘计算主机盒选购指南:五大核心指标解析
- Arm AGI CPU 更多细节:台积电 3nm 制程、Neoverse V3 微架构
- Arm AGI CPU 重磅发布:构筑代理式 AI 云时代的芯片基石
- Arm 拓展其计算平台矩阵,首次跨足芯片产品
- 阿里达摩院发布RISC-V CPU玄铁C950,首次原生支持千亿参数大模型
- 边缘 AI 加速的 Arm® Cortex® ‑M0+ MCU 如何为电子产品注入更强智能
- 阿里达摩院发布玄铁C950,打破全球RISC-V CPU性能纪录
最新频道文章




