基于STM32CUBEMX驱动低压步进器电机驱动器STSPIN220(1)----套件概述
2025-10-21 来源:bilibili
套件概述
STM32C011F4Px_STSPIN220 是一款基于 STM32C011F4Px 的低压步进电机驱动套件。其中,STSPIN220 是一款步进电机驱动器,在一个小型 VFQFPN 3 x 3 x 1.0 mm 封装中集成了控制逻辑和低 RDS(开启)功率级。该套件提供一整套保护功能,包括过电流、过热和短路保护,并且可以强制进入零消耗状态,从而显著延长电池寿命。 最近在弄ST的课程,需要样片的可以加qun申请:615061293 。


视频教学
https://www.bilibili.com/video/BV1Ju4y1R7mA/

19:14
基于STM32CUBEMX驱动低压步进器电机驱动器STSPIN220(1)----驱动STSPIN220
9682观看 0弹幕
样品申请
https://www.wjx.top/vm/PpC1kRR.aspx
完整代码下载
https://download.csdn.net/download/qq_24312945/88184732
特征
● 内核: Arm ® 32 位 Cortex ® -M0+,频率高达 48MHz
● 存储器:高达 32 kB 的带保护 Flash,6kB 带奇偶校验的 SRAM
● 内部时钟:
48 MHz RC 振荡器(±1%)
32 kHz RC 振荡器(±5%)
● MCU 电压范围:2.0 V 至 3.6 V
● STSPIN220 工作电压:1.8 V 至 10 V
● 低功耗模式:睡眠、停止、待机、关机
● RDS(ON) HS + LS = 0.4 Ω(典型值)
● 微步高达 1/256 th 步
● 节能且电池寿命长,待机功耗低于 80 nA
●具有可编程关闭时间的电流控制
● 全面保护
过电流保护
短路保护
过温保护
系统控制和生态系统访问
● USB 全速主机和设备(Type-C 连接器)
● 两种烧录方式
SWD 烧录口:编程或调试 PC
串口烧录:打印数据或烧录
● 用户按键和指示灯
一个复位按键
一个电源指示灯(红色),指示电源的稳定性与可用性
两个串口指示灯(红色)
四个电机驱动指示灯(黄色)
● 生态系统扩展
两个 3V3 扩展由 CN6 引出
两个 GND 扩展由 CN7 引出
● 支持多种集成开发环境(IDE)
IAR Embedded Workbench ®
MDK-ARM
STM32Cube 生态系统
功能示意图
如图 1 所示,为 STM32C011F4Px_STSPIN220 评估套件的正面图。

如图 2 所示,为 STM32C011F4Px_STSPIN220 评估套件的背面图。

系统框图
如图 3 所示,为 STM32C011F4Px_STSPIN220 开发板系统框图。

跳线设置
使用跳线帽更改 BOOT0 的模式,设置 BOOT 脚来确定 STM32 MCU 的启动方式。 启动方式如下:
BOOT 从用户 Flash 启动
BOOT 从系统内存启动
BOOT 从 SRAM 启动
使用跳线帽为 STSPIN220 供电,将 Vs 与 VIN 相连接。
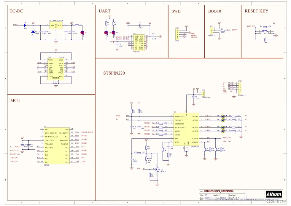
开发板原理图
如下图所示,为 STM32C011F4Px_STSPIN220 开发板原理图。

- STM32CubeMx GPIO口输出
- Keil5安装+STM32CubeMX安装+VSCode辅助开发教程
- STM32CubeMX保姆级安装教程
- STM32CubeMx 串口通信(下)串口接收
- 配置CLion + STM32CubeMX开发环境
- 基于STM32CUBEMX驱动TMOS模块STHS34PF80(2)----驱动STHS34PF80进行人体检测
- 基于STM32CUBEMX驱动低压步进器电机驱动器STSPIN220(3)----定时器中断产生指定数量脉
- 基于STM32CUBEMX驱动低压步进器电机驱动器STSPIN220(2)----驱动STSPIN220
- STM32CUBEMX(2)--USART通过DMA方式接收不定长数据
- 意法半导体发布75V STSPIN电机驱动芯片,方便用户扩展工业电机驱动器设计
- 六大全新产品系列推出,MCX A微控制器家族迎来创新
- 意法半导体全新STM32C5系列,重新定义入门级微控制器性能与价值,赋能万千智能设备
- 模组复用与整机重测在SRRC、CCC、CTA/NAL认证中的实践操作指南
- 有源晶振与无源晶振的六大区别详解
- 英飞凌持续巩固全球微控制器市场领导地位
- 使用 Keil Studio for Visual Studio Code开发 STM32 设备
- 从控制到系统:TI利用边缘AI重塑嵌入式MCU的边界
- 蓝牙信道探测技术原理与开发套件实践
- Microchip 推出生产就绪型全栈边缘 AI 解决方案,赋能MCU和MPU实现 智能实时决策
- LoRa、LoRaWAN、NB-IoT与4G DTU技术对比及工业无线方案选型分析




