历史上的今天
今天是:2025年01月30日(星期四)
2018年01月30日 | 东芝推出用于移动应用、具有业内最小封装的1.5A LDO稳压器
2018-01-30 来源:EEWORLD
“TCR15AG系列”具有47款产品,均采用业内最小的WCSP6F封装[1]。这些产品是LDO稳压器IC,满足了移动应用和模块应用等对于较小和较低封装高度产品的要求。
虽然其封装很小,但TCR15AG系列具有高输出电流的特点,达1.5A,所以适用于智能手机、平板电脑、相机和无线模块中的Wi-Fi®[2]芯片组电源应用。
该新系列也可控制大电流应用的电源,包括笔记本电脑、数码摄像机、存储设备和机顶盒。
TCR15AG系列提供业内最佳的[1]纹波抑制比和负载瞬态响应。它们显著降低了电源管理IC(PMIC)或DC-DC转换器所具有的纹波噪声,解决了相机电源和射频[3]电路中常见的限制因素。它们有助于最大限度降低相机模式转换时和射频[3]电路中因电流急剧变化而产生的输出电压波动。
通过使用外部偏置电压引脚,可以保证低的压降,这有助于提高系统电源效率,延长移动产品的电池充电寿命。
该系列提供两种输出电压,一种是采用外部电阻的可调节输出,输出范围是0.60V~3.6V,另一种是固定输出电压,输出范围是0.65V~3.6V,这就实现了对于各种电源应用的支持。
TCR15AG系列具有过流保护和热关断等广泛的保护功能,将成为满足大电流区域高度稳定电压和低功耗应用需求的高效LDO解决方案。
注:
[1] 基于东芝电子元件及存储装置株式会社对于输出电流为1.5A的LDO稳压器IC的调查研究,截止于2017年11月。
[2] Wi-Fi是Wi-Fi联盟的注册商标。
[3] RF(射频)
特点
采用业内最小[1]封装WCSP6F,输出电流高达1.5A
业内最高的[1]纹波抑制比,最快的负载瞬态响应;非常适用于相机和射频[3]应用
低压降(高效率电源应用的要求)
应用
智能手机
平板电脑
产品规格
注:
不包括控制下拉电流(ICT)和流过可变输出LDO稳压器外部电阻的电流。
[5] @VBIAS=3.3V,VIN=VOUT+1V,IOUT=10mA,VOUT=0.9V,f=1kHz,VIN Ripple=200mVp-p,Ta=25°C,COUT=4.7μF
[6] 使用TCR15AGADJ可调输出电压LDO稳压器在0.9V输出条件下的测量值。VDO=VIN1*1–(VOUT1*2–100mV)
*1:VIN1是指当输出电压从VOUT1降低100mV时的输入电压。
*2:VOUT1是指当VIN=VOUT+0.5V时的输出电压。
[7] TCR15AGADJ:0.60V~3.6V(可调输出电压类型)
产品阵容

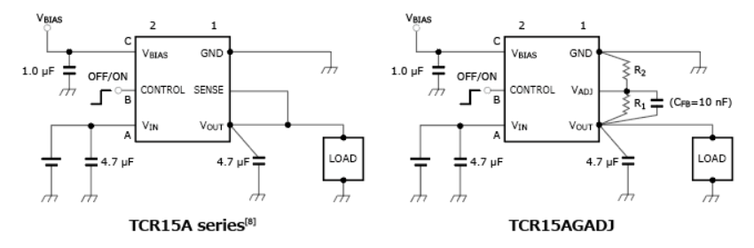
引脚分布和应用电路实例

注:
[8] 不适用于TCR15AGADJ
本文所示应用电路仅供参考。需要进行全面评估,特别是在量产设计阶段。东芝电子元件及存储装置株式会社提供这些应用电路实例并不表示提供了任何的工业产权许可。
史海拾趣
|
火线、零线两之间,我用一只红色发光二极管串接一个100K电阻并在火线零线之间后,发光二极管正常工作; 可是我用一蓝色发光二极管串接一个100K电阻并在火线零线之间后,为什么就不能正常工作了呢? 着急啊?请教各位大侠,用蓝灯如何接才能正常、 ...… 查看全部问答> |
|
据金鹰网报道 现年39岁的Vasyl Lazarenko是一位来自乌克兰西部的工匠。由于女友非常喜欢坐敞篷车去兜风,而他自己又觉得硬顶车篷很实用,于是突发奇想,决定自己打造一款世界上独一无二的“双面车”。 这辆车的左边是现代轿车的造型,而右边则 ...… 查看全部问答> |
|
老弟最近在开发过程遇到一个问题,就是开发出的vxworks程序 1、跨网段无法ping通,报文也过不去。 现象与现状: 同网段可以ping通,报文也可以过去。 目前的所跨的两个采用B类地址,从第二位开始有区别区分子网。分 ...… 查看全部问答> |
|
我在学习单片机输出到蜂鸣器的时候有这样一段程序 bb bit p2.4 ;定义bb在下面程序中代表p2.4,连接蜂鸣器 star: clr bb ;使v1 9015导通 &n ...… 查看全部问答> |
|
想用ARM7+RTL8019做一个网络方面的东西.功能是将这个产品接入一个局域网中通过一个服务器件(192.168.1.3)发送数据(没分钟一个包大概几百字节)到另一个服务器(192.168.2.8)所在的局域网中的某一个产品. 见下图: A(ARM+8019) 192.168.1.3 192.168. ...… 查看全部问答> |
|
我使用的是msp430f169。在SCL和SDA上加10K上拉电阻。 A2=A1=A0=0; SCL = BIT4; SDA = SDA; 本程序已经条是通过了。多谢在此过程中指教的各位。 #include "msp430x16x.h" unsigned int adjg; unsigned char ack,ctlbyte; void ysh(unsig ...… 查看全部问答> |
|
【 低功耗】利用 Xilinx 功耗估计器分七步精确分析最坏情况下的功耗使用 利用 Xilinx 功耗估计器分七步精确分析最坏情况下的功耗使用 [ 本帖最后由 hangsky 于 2011-11-8 13:26 编辑 ]… 查看全部问答> |




