历史上的今天
今天是:2025年03月24日(星期一)
2020年03月24日 | 第016课 Nand Flash操作原理及裸机程序分析
2020-03-24 来源:eefocus
第001节_NAND_FLASH操作原理

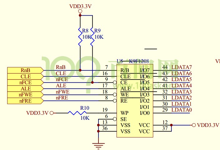
NAND FLASH原理图
NAND FLASH是一个存储芯片
那么: 这样的操作很合理”读地址A的数据,把数据B写到地址A”
问1. 原理图上NAND FLASH和S3C2440之间只有数据线,怎么传输地址?
答1.在DATA0~DATA7上既传输数据,又传输地址当ALE为高电平时传输的是地址,
那么在数据线上是不是只传输数据和只传输地址呢?
我们参考NAND FLASH的芯片手册可以知道,对NAND FLASH的操作还需要发出命令,下面有个NAND FLASH的命令表格

问2. 从NAND FLASH芯片手册可知,要操作NAND FLASH需要先发出命令怎么传入命令?
答2.在DATA0~DATA7上既传输数据,又传输地址,也传输命令:
当ALE为高电平时传输的是地址。
当CLE为高电平时传输的是命令。
当ALE和CLE都为低电平时传输的是数据。
问3. 数据线既接到NAND FLASH,也接到NOR FLASH,还接到SDRAM、DM9000等等
那么怎么避免干扰?
答3. 这些设备,要访问之必须”选中”,没有选中的芯片不会工作,相当于没接一样。
问4. 假设烧写NAND FLASH,把命令、地址、数据发给它之后,NAND FLASH肯定不可能瞬间完成烧写的,怎么判断烧写完成?
答4. 通过状态引脚RnB来判断:它为高电平表示就绪,它为低电平表示正忙
问5. 怎么操作NAND FLASH呢?
答5. 根据NAND FLASH的芯片手册,一般的过程是:
发出命令
发出地址
发出数据/读数据
看上面的命令表格,不容易看,我们看一下读ID的时序图,

每个NAND FLASH都内嵌一些ID(譬如:厂家ID,设备ID),时序图从左往右看,纵向放是一列一列的看。
对于我们s3c2440来说,内部集成了一个NAND FLASH控制器,2440和外设连接的简易图,如下图所示

NAND FLASH控制器,帮我们简化了对NAND FLASH的操作,下面来分析一下不使用NAND FLASH控制器和使用NAND FLASH控制器对外设NAND FLASH的操作。
发命令:

发地址:

发数据:

读数据 :

用UBOOT来体验NAND FLASH的操作:
读ID

下图是读操作时序图 
对于存储为256M的NAND FLASH,需要28条地址线,来表示这个地址值,根据原理图可以,只用8根地址线,所以需要4个周期的地址,为了兼容更大容量的NAND FLASH,要发出5个周期的地址:
2,读数据

第002节_NandFlash时序及初始化

AND FLASH控制器的时序,是为了让NAND FLASH外设工作起来,假如外接不同的
NAND FLASH外设,那么它的操作时序可能就会不同,所以NAND FLASH控制器发出
的时序图,就是不一样的,所以我们根据NAND FLASH外设来设置NAND FLASH控制器,

NAND FLASH时序图,如下所示:



我们在汇编语言中已经设置HCLK为100MHZ,一个周期T = 1000/100 = 10s,通过上面三个图可以知道:TACLS的值可以为0;TWRPH0的值可以为1;TWRPH1的值可以为0。 
所以NFCONF寄存器设置如下:
#define TACLS 0
#define TWRPH0 1
#define TWRPH1 0
/*设置NAND FLASH的时序*/
NFCONF = (TACLS<<12) | (TWRPH0<<8) | (TWRPH1<<4);
到此设置NAND FLASH的时序已经设置完了,我们接着来使能,使能实在NFCONT。

MODE [0]: 设置为1,使能NAND FLASH。
Reg_nCE [1]: 设置为1,禁止片选。因为我们现在还没有使用。为例错误的操作。
InitECC [4]: 初始化ECC的编码器,后边要使用,我们设置为1,来初始化。
所以NFCONF寄存器设置如下:
/*使能NAND FLASH控制器,初始化ECC,禁止片选*/ NFCONT = (1<<4) | (1<<1) | (1<<0);
第003节_NandFlash的芯片id读取
上节课我们讲解了NAND FLASH的初始化,这节课我们来讲解读取NAND FLASH的ID,
我们可以参考NAND FLASHh的芯片手册,如下图所示:(NAND FLASH读操作时序图) 
我们一般先操作片选使能,只有片选使能之后才能进行后边的操作,片选是能代码如下:
void nand_select(void)
{
/*使能片选*/
NFCONT &=~(1<<1);
}
有使能片选,一定有禁止片选,禁止片选的代码如下:
void nand_deselect(void)
{
/*禁止片选*/
NFCONT |= (1<<1);
}
读ID的操作时序图,如下所示

我们按照从左往右的时间点,来分析,片选信号像一个总开关,只有使能了片选信号,后续的操作才会有意义,我们使能片选信号之后,片选引脚nCE后续一直为低电平,在前面的命令时序图中知道tCLS和tWP最小的时间参数都是12us,就表明CLE和nWE这两个信号可以同时发出,就表示要命令了,对于写什么命令,就要看数据总线上要发送的命令了,当CLE从高电平变为低电平后,表示上次的写操作已经结束了。
对于上面复杂的时序,我们可以使用2440上的NAND FLASH控制器简化操作,只需要往NFCMMD寄存器写入要传输的命令就可以了,NAND FLASH控制器默认把上面复杂的时序发出来。
发命令后,后面就需要发送地址了,当nWE和ALE有效的时候,表示写地址,上图中,要写入的地址是0x00,当ALE从高电平变为低电平的时候,表示写地址结束,我们可以简化为:往NFADDR寄存器中写值就可以了,比如:NFADDR=0x00。
下面我们写代码:发命令的函数,和发地址的函数代码如下:
void nand_cmd(unsigned char cmd)
{
volatile int i;
NFCCMD = cmd;
for(i=0; i<10; i++);
}
void nand_addr_byte(unsigned char addr)
{
volatile int i;
NFADDR = addr;
for(i=0; i<10; i++);
}
接下来就可以读取数据了,数据可以直接通过读取NFDATA寄存器里面数据来获得数据,根据时序图,是读5个字节的数据,代码如下:
unsigned char nand_data(void)
{
return NFDATA;
}
读芯片ID之前先打开片选, 读取芯片ID函数,代码如下:
void nand_chip_id(void)
{
unsigned char buf[5]={0};
nand_select();
nand_cmd(0x90);
nand_addr_byte(0x00);
buf[0] = nand_data();
buf[1] = nand_data();
buf[2] = nand_data();
buf[3] = nand_data();
buf[4] = nand_data();
nand_deselect();
printf("maker id = 0x%xnr",buf[0]);
printf("device id = 0x%xnr",buf[1]);
printf("3rd byte = 0x%xnr",buf[2]);
printf("4th byte = 0x%xnr",buf[3]);
printf("page size = %d kbnr",1 << (buf[3] & 0x03));
printf("block size = %d kbnr",64 << ((buf[3] >> 4) & 0x03));
printf("5th byte = 0x%xnr",buf[4]);
}
下面我们再写一个打印菜单的函数,在菜单中调用读取芯片ID的函数,代码如下
oid nand_flash_test(void)
{
char c;
while (1)
{
/* 打印菜单, 供我们选择测试内容 */
printf("[s] Scan nand flashnr");
printf("[e] Erase nand flashnr");
printf("[w] Write nand flashnr");
printf("[r] Read nand flashnr");
printf("[q] quitnr");
printf("Enter selection: ");
c = getchar();
printf("%cnr", c);
/* 测试内容:
* 1. 识别nand flash
* 2. 擦除nand flash某个扇区
* 3. 编写某个地址
* 4. 读某个地址
*/
switch (c)
{
case 'q':
case 'Q':
return;
break;
case 's':
case 'S':
nand_chip_id();
break;
case 'e':
case 'E':
break;
case 'w':
case 'W':
break;
case 'r':
case 'R':
break;
default:
break;
}
}
}
在主函数中调用nand flash的初始化函数,和nand flash的测试函数。
int main(void)
{
led_init();
//interrupt_init(); /* 初始化中断控制器 */
key_eint_init(); /* 初始化按键, 设为中断源 */
//timer_init();
puts("nrg_A = ");
printHex(g_A);
puts("nr");
//nor_flash_test();
nand_init();
nand_flash_test();
return 0;
}
第004节_NandFlash的数据读取
在上节 我们实现了芯片ID的读取,可是那个程序已经超过了4k,我们想把它烧到开发板的话,必需把它烧写到NOR FLASH上去,这节我们来讲解NAND FLASH数据的读取,并且实现超过4k的程序从NAND FLASH启动。
下图为NAND FLASH内部结构图,从图中可以可以知道,一个page含有2k 字节的页数据,和64字节的oob区,后面会介绍页数据和oob区有什么关系。

下图的表格,来说明NAND FLASH内部结构,前面2K(0~2047)表示页数据,后边64字节(2048~2111)表示oob。 
问:CPU想读取,第2048个数据,它是哪以一个?
答:是Page1的第0个字节。CPU使用某个地址访问数据的时候,是在页数据空间来寻址的,根本就看不到oob区。
我们知道NAND FLASH 和 NOR FLASH相比有个缺点,NAND FLASH读或写一页数据的时候,可能会发生位反转,里面可能有一位是错误的,为了解决这个问题,引入oob区,
它写页数据的时候,把数据写进页数据的同时会生成一个校验码,把这个校验码写进oob区里面,当读数据的时候,读出1页数据,读取1数据里面有可能有某一位发生错误,它继续读出原来的校验码,使用oob区里面的校验码,来修正页数据里面的数据。从这里我们可以得出一个结论,oob区的存在是为了解决NAND FLASH的缺陷而存在的。
CPU: 只关心数据,不需要看到oob区的校验码(把数据读出来,然后进行校验再把正确的数据返回,就可以了)。CPU想使用某个addr来访问数据的时候,addr是在页数据区间来寻址的,addr根本不会在oob区里面寻址。
为了形象在下面说一个幽默的对话来说明一下CPU和NAND FLASH的功能:
CPU大爷: 小nand啊,你的性能比不上小nor啊,听说你有位反转的毛病
Nand : 是的,大爷,位反转是我天生的毛病,时有时无
CPU大爷: 靠,你说你价格便宜容量大,这不是害我嘛
Nand : 没事,我有偏方,用OOB就可以解决这问题
CPU大爷: 得得得,你那偏方是什么也别告诉我,我只管能读写正确的数据
Nand : 是的,大爷,我这OOB偏方也就我自个私下使用。您就像使用nor一样使唤我就可以了
下面我们开始写程序,想去读NAND FLASH应该怎样操作,下面是nand flash的地址周期。

下图为读NAND FLASH的时序操作: 
读NAND FLASH步骤:(从程序的角度来说),我们需要先发出00命令再发出5个周期的地址,再发出30命令,然后就可以读数据了。比如:我想访问某个地址的数据,需要确定在哪一行page(row),在哪一列col(0~2047)。从NAND FLASH的地址周期中可以看出来,先发出2个col(列地址),再发出3个(Row)行地址。
下面是程序的编写:

wait_ready函数等待NAND FLASHh空闲,从上图可以看出当NFSTAT寄存器[0]的值为1时NAND FLASH是空闲的,我们可以通过该位来判断NAND FLASH是否繁忙。代码如下:
void wait_ready(void)
{
while (!(NFSTAT & 1));
}
nand_read函数为NAND FLASH的读函数,代码如下:
void nand_read(unsigned int addr, unsigned char *buf, unsigned int len)
{
int i = 0;
int page = addr / 2048;
int col = addr & (2048 - 1);
nand_select();
while (i < len)
{
/* 发出00h命令 */
nand_cmd(00);
/* 发出地址 */
/* col addr */
nand_addr_byte(col & 0xff);
nand_addr_byte((col>>8) & 0xff);
/* row/page addr */
nand_addr_byte(page & 0xff);
nand_addr_byte((page>>8) & 0xff);
nand_addr_byte((page>>16) & 0xff);
/* 发出30h命令 */
nand_cmd(0x30);
/* 等待就绪 */
wait_ready();
/* 读数据 */
for (; (col < 2048) && (i < len); col++)
{
buf[i++] = nand_data();
}
if (i == len)
break;
col = 0;
page++;
}
nand_deselect();
}
在init.c文件中,加上如下代码,用来判断所使用的FLASH是NOR FLASH还是NAND FLASH。代码如下:
int isBootFromNorFlash(void)
{
volatile unsigned int *p = (volatile unsigned int *)0;
unsigned int val = *p;
*p = 0x12345678;
if (*p == 0x12345678)
史海拾趣
|
本帖最后由 jameswangsynnex 于 2015-3-3 19:57 编辑 自2009年年底起,3D在国内成为了“时尚”的代名词,继3D电影《阿凡达》、《爱丽丝梦游仙境》在中国市场赚得盆满钵满,3D似乎也成为了报刊企业的又一掘金点。 2010年4月16日,湖北《十堰晚 ...… 查看全部问答> |
|
程序预览没问题,拍照800*600也没问题 但是当拍照改为1024*768,1280*1024,1600*1200时,会出现无效数据,随着分辨率的增大,无效数据会越来越多。 当为1600*1200时,有效的部分好像是800*600的两倍。 感觉好像取到的数据一直是800*600,又感觉 ...… 查看全部问答> |
|
先祝各位达人元旦快乐! 我老板现在想开发CDMA的通信模块,就是网上很多卖的那种,可以通过串口或其他通用接口进行CDMA无线通信,但我查了很长时间仍然没有头绪……望各位达人指点一二: 用于开发CDMA模块一般都有什么芯片?我看网上大部分都是高 ...… 查看全部问答> |
|
Powerpc现在编译的文件系统是jff2格式,用串口线先传倒powerpc的RAM里,再复制进flash,但是现在文件系统似乎限制了大小,如果传3M左右就能正常启动,如果大于4M就不能正常启动,系统会不停重启。但是如果系统能正常启动后,用FTP上传文件,则没有 ...… 查看全部问答> |
|
之前用的是vxworks+Tornado开发方式,一切比较顺利!! 最近单位买了最新版的vxworks,开发环境是workbench,刚接触,本打算先做启动软盘尝试启动vxworks,可发现每次编译后,目标机出现v1.6++++++++++++++++++然后又重起,尝试了各种方法,都是这样,请各位 ...… 查看全部问答> |




