DRV8849 双路步进电机驱动器技术手册总结
2025-10-13 来源:elecfans
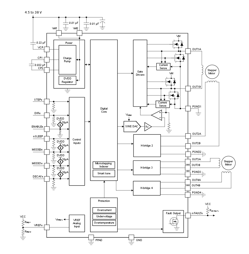
DRV8849 是一款适用于工业和消费类应用的双步进电机驱动器。该器件完全集成了四个 N 沟道功率 MOSFET H 桥驱动器、每个步进器一个微步进索引器以及集成电流检测。该DRV8849能够驱动高达 1.5A 的满量程输出电流(取决于 PCB 设计)。
该DRV8849采用内部电流检测架构,无需四个外部功率检测电阻,从而节省PCB面积和系统成本。该器件使用具有智能调谐衰减模式的内部PWM电流调节方案。智能调谐可自动调整所需的电流调节,补偿电机变化和老化效应,并降低电机发出的可听噪声和振动。
简单的 STEP/DIR 接口允许外部控制器管理步进电机的方向和步进速率。该器件可配置为全步至1/256微步进。使用专用的nSLEEP引脚提供低功耗睡眠模式。为电源欠压、电荷泵故障、过流、短路和过热提供保护功能。故障情况由每个步进器的一个 nFAULT 引脚指示。
特性
双步进电机驱动器
STEP/DIR 接口
高达 1/256 微步进分度器
4.5 至 38V 工作电源电压范围
900 mΩ HS + LS RDS(ON),24 V、25°C 时
1.5 A 满量程,每个 H 桥 1.1 A rms 电流
集成电流检测功能
±5% 满量程电流精度
无需检测电阻
智能调谐衰减技术
智能调谐中可配置的关断时间 PWM 斩波
8 μs、16 μs 或 32 μs
支持 3.3V、5.0V 逻辑输入
低电流睡眠模式 (1.3 μA)
每个步进器的保护功能
VM 欠压锁定 (UVLO)
电荷泵欠压 (CPUV)
过流保护 (OCP)
热关断 (OTSD)
故障条件输出 (nFAULT)
参数
方框图

1. 产品概述
型号:DRV8849,38V双路步进电机驱动器,集成电流检测和1/256微步控制。
版本:SLVSGF6A(2023年5月发布,2023年10月修订)。
核心特性:
双路驱动:支持两路步进电机,每路H桥输出1.5A全量程电流(峰值2.5A)。
高集成度:内置电流检测(无需外部分流电阻)、微步索引器、智能调谐衰减技术。
接口:STEP/DIR控制接口,支持全步至1/256微步模式。
保护功能:欠压锁定(UVLO)、过流保护(OCP)、热关断(OTSD)等。
2. 关键参数
电压范围:4.5V至38V工作电压。
导通电阻:900mΩ(高边+低边,24V/25°C)。
电流能力:
每路1.5A全量程,1.1A RMS(持续电流)。
峰值电流2.5A(瞬态)。
微步分辨率:支持1/2、1/4、1/8、1/16、1/32、1/64、1/128、1/256微步。
低功耗模式:睡眠模式电流仅1.3μA。
3. 功能亮点
智能调谐技术:
动态衰减:自动优化快/慢衰减比例,降低电机噪声和振动。
电流检测:集成电流检测架构,精度±5%,无需外置电阻。
灵活控制:
通过MODE0x/MODE1x引脚配置微步模式(如非圆形半步、1/256微步)。
VREF引脚支持DAC或PWM调节,动态调整电流阈值。
保护机制:
故障自动恢复(自动重试或需nSLEEP复位)。
每路独立nFAULT引脚输出故障状态。
4. 典型应用
场景:网络摄像头、3D打印机、ATM机、医疗设备、缝纫机等。
电路设计:
需外接0.22μF(VCP)和0.022μF(CP1-CP2)电荷泵电容。
建议布局:低ESR陶瓷电容靠近VM引脚,散热焊盘多过孔接地。
5. 封装与热管理
封装:6mm×6mm 36引脚QFN(带散热焊盘)。
热阻:RθJA=29.9°C/W(四层PCB),需优化散热设计。
6. 对比DRV8845
差异点:
DRV8849专为步进电机优化,支持更高微步(1/256 vs 1/4)。
DRV8849集成电流检测,DRV8845需外置检测电阻。
DRV8845额外支持有刷直流电机驱动。
- 嵌入式的风向变了:2026纽伦堡嵌入式展透露这些趋势
- 高通确认不在GDC 2026发布新款骁龙G系列掌机处理器SoC
- 行业评论 从工具到平台:如何化解跨架构时代的工程开发和管理难题
- 面向嵌入式部署的神经网络优化:模型压缩深度解析
- 摩尔线程MTT S5000全面适配Qwen3.5三款新模型
- Mujoco中添加Apriltag标签并实现相机识别教程
- 英飞凌与宝马集团携手合作,基于Neue Klasse架构塑造软件定义汽车的未来
- 物理AI仿真新突破:摩尔线程与五一视界共建全栈国产化生态
- 阿里达摩院发布玄铁C950,打破全球RISC-V CPU性能纪录
- 爆火的OpenClaw! 告别云端,米尔RK3576开发板本地部署
- 边缘计算主机盒选购指南:五大核心指标解析
- Arm AGI CPU 更多细节:台积电 3nm 制程、Neoverse V3 微架构
- Arm AGI CPU 重磅发布:构筑代理式 AI 云时代的芯片基石
- Arm 拓展其计算平台矩阵,首次跨足芯片产品
- 阿里达摩院发布RISC-V CPU玄铁C950,首次原生支持千亿参数大模型
- 边缘 AI 加速的 Arm® Cortex® ‑M0+ MCU 如何为电子产品注入更强智能
- 阿里达摩院发布玄铁C950,打破全球RISC-V CPU性能纪录
- VPU中的“六边形战士”:安谋科技Arm China发布“玲珑”V560/V760 VPU IP
- 利用锚定可信平台模块(TPM)的FPGA构建人形机器人安全




