MCT8315Z 集成无刷直流电机驱动器技术文档总结
2025-10-13 来源:elecfans
1. 产品概述
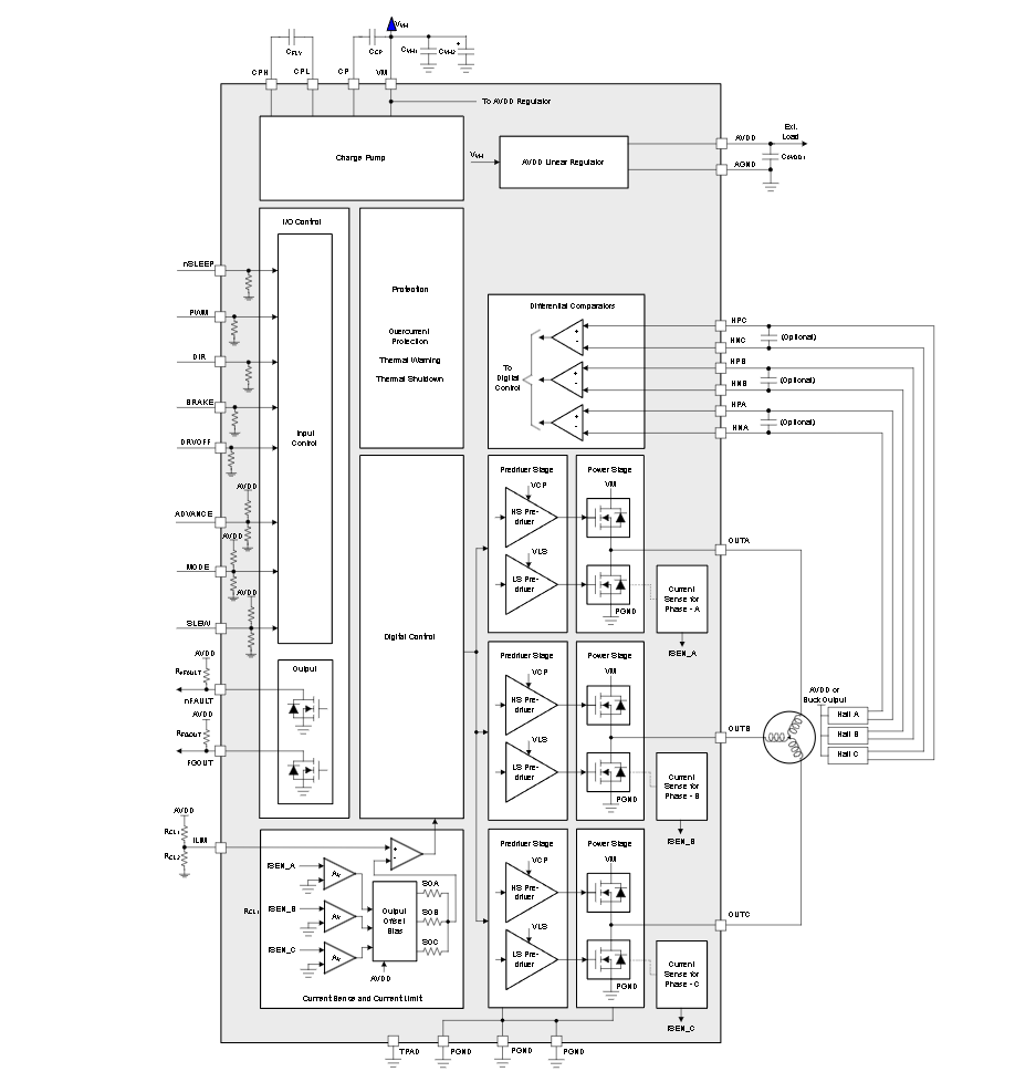
MCT8315Z是德州仪器(TI)推出的集成FET的三相无刷直流(BLDC)电机驱动器,采用霍尔传感器梯形控制方案,无需外部MCU即可驱动电机。关键特性包括:
电压范围:4.5V至35V(峰值40V),支持12V/24V电机应用。
输出能力:4A峰值电流,低MOSFET导通电阻(275mΩ典型值)。
控制模式:支持硬件引脚或SPI接口配置,提供同步/异步PWM调制。
集成功能:内置3.3V/5V降压稳压器、3.3V LDO、电流限制及多种保护机制。

2. 核心功能
梯形控制:支持120°霍尔传感器换向,兼容模拟/数字霍尔输入。
灵活配置:
SPI型号(MCT8315ZR) :通过5MHz SPI接口配置参数。
硬件型号(MCT8315ZH/T) :通过电阻配置引脚设置模式、超前角等。
保护特性:包括欠压锁定(UVLO)、过流保护(OCP)、电机堵转检测、热关断(TSD)等,故障状态通过nFAULT引脚或SPI寄存器指示。
3. 关键模块
电源管理:
降压稳压器:输出3.3V/5V(200mA),支持电感或电阻模式。
电荷泵:为高侧MOSFET提供栅极驱动电压。
电流限制:集成电流检测,无需外部分流电阻,支持逐周期限流。
主动消磁:减少换向期间的二极管导通损耗(ASR/AAR模式)。
4. 应用场景
适用于CPAP呼吸机、打印机、扫地机器人、小型家电、工业自动化等低至中功率电机驱动场景。
5. 封装与型号
封装:32引脚WQFN(6mm×4mm),带散热焊盘。
型号差异:
MCT8315ZR:SPI配置,含降压稳压器。
MCT8315ZH:硬件配置,含降压稳压器。
MCT8315ZT:硬件配置,无降压稳压器。
6. 设计支持
布局建议:强调低寄生电感布局,分离功率地与信号地。
热管理:依赖PCB散热,热阻θJA为30.4°C/W(WQFN封装)。
- 嵌入式的风向变了:2026纽伦堡嵌入式展透露这些趋势
- 高通确认不在GDC 2026发布新款骁龙G系列掌机处理器SoC
- 行业评论 从工具到平台:如何化解跨架构时代的工程开发和管理难题
- 面向嵌入式部署的神经网络优化:模型压缩深度解析
- 摩尔线程MTT S5000全面适配Qwen3.5三款新模型
- Mujoco中添加Apriltag标签并实现相机识别教程
- 英飞凌与宝马集团携手合作,基于Neue Klasse架构塑造软件定义汽车的未来
- 阿里达摩院发布玄铁C950,打破全球RISC-V CPU性能纪录
- 物理AI仿真新突破:摩尔线程与五一视界共建全栈国产化生态
- 爆火的OpenClaw! 告别云端,米尔RK3576开发板本地部署
- 边缘计算主机盒选购指南:五大核心指标解析
- Arm AGI CPU 更多细节:台积电 3nm 制程、Neoverse V3 微架构
- Arm AGI CPU 重磅发布:构筑代理式 AI 云时代的芯片基石
- Arm 拓展其计算平台矩阵,首次跨足芯片产品
- 阿里达摩院发布RISC-V CPU玄铁C950,首次原生支持千亿参数大模型
- 边缘 AI 加速的 Arm® Cortex® ‑M0+ MCU 如何为电子产品注入更强智能
- 阿里达摩院发布玄铁C950,打破全球RISC-V CPU性能纪录
- VPU中的“六边形战士”:安谋科技Arm China发布“玲珑”V560/V760 VPU IP
- 利用锚定可信平台模块(TPM)的FPGA构建人形机器人安全




