控制电路原理图分享
2025-11-03 来源:elecfans
1.点动启动电路图
图1
点动控制是只有经过一个按钮开关开实现的,当按下按钮开关SB1,接触器的线圈吸合,电机运行。松开按钮开关SB1后,电机也随之停止,这就是点动控制的工作原理。
2.启、保、停控制电路

图2
启、保、停控制电路,运用是比较广泛的。当按下按钮开关SB2,接触器线圈通电触头吸合,同时接触器的辅助触头也吸合,从而实现的自锁的功能。当按下按钮开关SB1,接触器断电,线圈断开。
3.正反转互锁控制电路

图3
这种控制电路运用,还是非常多的。想那些做上下、左右运行的电机,都是用到了这类电路。
当按下按钮开关SB2,KM1线圈通电,接触器触点吸合,电机正向运行。在按下按钮开关SB2的时候,按钮开关SB2的常闭触点断开,这样是可以保证另外一条控制线路不会误操作。
当按下按钮开关SB3时,KM2线圈通电,接触器触点吸合,电机反向运行。操作原理和正转时的操作是一样的。只是控制电路是通过控制两个接触器来使三相电改变相序,来实现电机的正反转运行。
4.两地控制一台电机的控制电路

图4
两地控制一台设备电路,就是指一台电机可以从多处来控制,这样就大大的提高了效率。
两地控制一台电机的电路,可以理解成两个独立的启、保、停控制电路,工作原理是一样的。
5.自动往返控制电路

图5
自动往返控制电路是在正反转控制电路的基础上,增加了两个行程开关来实现往返运行。所以,想理解这往返控制电路并不难,根据图片就可以看到,只是想两行程开关的常开触点分别并在了SB1、SB2的按钮开关上,然后再把行程开关的常闭触点串连在线圈线路上,来实现双重互锁的作用,大大的增加线路在运行当中的安全性。
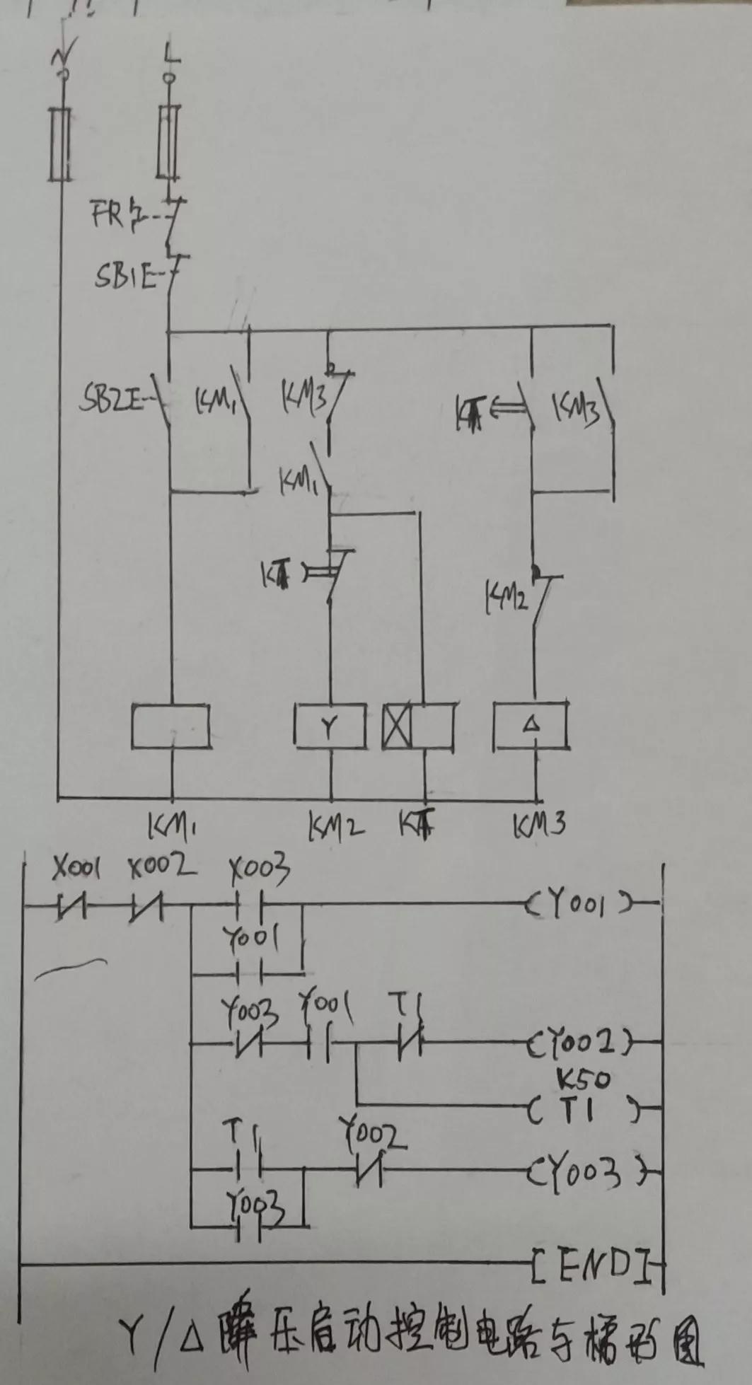
6.星角降压启动控制电路

图6
星角降压启动控制电路,在许多大负载电机当中运用的比较多,如何去解读这电路图呢?
我们可以把电路图分成三部分KM1、KM2、KM3,控制KM1的电路就是一个启、保、停控制电路;KM2类似于点动控制电路;KM3也是相当于启、保、停控制电路。这样拆开的去理解就简单多了,这个电路当中有用到一个时间继电器,是用来实现自动星角转换的,不需要人为的去操作。
我分享的这些控制电路原理图,是经常会遇到了,只要我们能够充分理解这几种电路,那就可以维修很多设备了。
上一篇:时间继电器的选型要求和注意事项
下一篇:控制电路原理图与梯形图讲解
- 嵌入式的风向变了:2026纽伦堡嵌入式展透露这些趋势
- 高通确认不在GDC 2026发布新款骁龙G系列掌机处理器SoC
- 行业评论 从工具到平台:如何化解跨架构时代的工程开发和管理难题
- 阿里达摩院发布玄铁C950,打破全球RISC-V CPU性能纪录
- 面向嵌入式部署的神经网络优化:模型压缩深度解析
- Mujoco中添加Apriltag标签并实现相机识别教程
- 摩尔线程MTT S5000全面适配Qwen3.5三款新模型
- 英飞凌与宝马集团携手合作,基于Neue Klasse架构塑造软件定义汽车的未来
- 物理AI仿真新突破:摩尔线程与五一视界共建全栈国产化生态
- 爆火的OpenClaw! 告别云端,米尔RK3576开发板本地部署
- Altera 与 Arm 深化合作,共筑 AI 数据中心高效可编程新方案
- 莱迪思加入英伟达 Halos生态系统,通过Holoscan传感器桥接技术提升物理人工智能安全性
- 芯科科技闪耀2026嵌入式世界展 以Connected Intelligence赋能,构建边缘智能网联新生态
- 边缘计算主机盒选购指南:五大核心指标解析
- Arm AGI CPU 更多细节:台积电 3nm 制程、Neoverse V3 微架构
- Arm AGI CPU 重磅发布:构筑代理式 AI 云时代的芯片基石
- Arm 拓展其计算平台矩阵,首次跨足芯片产品
- 阿里达摩院发布RISC-V CPU玄铁C950,首次原生支持千亿参数大模型
- 边缘 AI 加速的 Arm® Cortex® ‑M0+ MCU 如何为电子产品注入更强智能





