S7-200 SMART PLC的应用案例
2025-09-23 来源:elecfans
很多PLC新手在面对PLC时都感觉无从下手,更不知道项目编程该从哪里开始,毫无头绪,初学PLC,建议先接触一下小型的PLC,比如S7-200PLC或者S7-200 SMART PLC以及三菱FX 3U、5U等等,这些小型PLC相对于大型比较简单,易操作。
今天就用几个项目实例,给大家说说第一次使用S7-200 SMART PLC时的一些具体步骤,帮大家开启使用PLC的第一步。
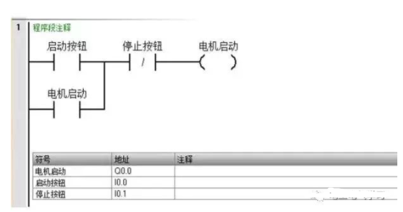
一、起保停控制
项目控制要求:
1、按下启动按钮,电机启动
2、按下停止按钮,电机停止


二、单按钮控制
项目控制要求:
1、按下操作按钮,电机启动
2、再按下操作按钮,电机停止


三、正反转控制
项目控制要求:
1、按下正转按钮,电机正转启动
2、按下反转按钮,电机反转启动
3、按下停止按钮,电机停止


四、混合控制
项目控制要求:
一台电机即可点动控制,也可以长动控制
1、按下点动按钮,可以点动控制电机
2、按下长动启动按钮,电机启动并保持
3、按下长动停止按钮,电机停止


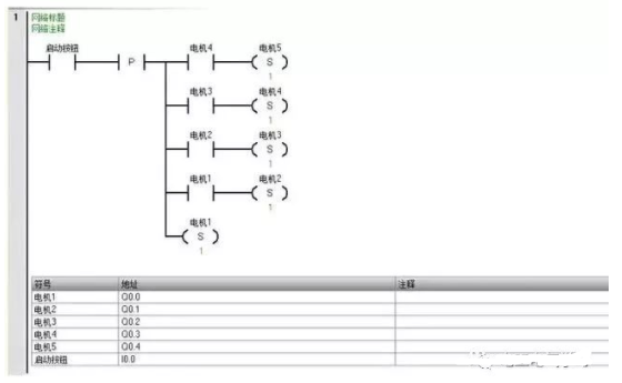
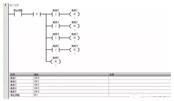
五、顺序控制
项目控制要求:
每按一次启动按钮启动一台电机,每按一次停止按钮,停掉最后启动的那 台电机按下紧急停止按钮,停止所有的电机
注:任意时候可以选择启动或停止



相关文章
- 工业无线数传模块实现西门子S7-300与S7-200 SMART间300米Profinet无线通讯
- S7-200SMART两台PLC之间的MODBUS主从站通信步骤
- SMART 200中拆分提取字符串内数据
- 西门子SMART200 PLC和西门子1200 PLC的Modbus TCP通讯实例
- S7-200 SMART CPU的四种开环运动控制方法
- S7-200 SMART PLC使用具体步骤
- 西门子S7-200 SMART如何编写中断程序?
- 浅析西门子S7-200 SMART PLC常用编程指令
- 威纶通触摸屏与S7-200Smart之间无线Ethernet通信
- 智能工厂中PLC物联网网关的功能与应用
- 嵌入式的风向变了:2026纽伦堡嵌入式展透露这些趋势
- 高通确认不在GDC 2026发布新款骁龙G系列掌机处理器SoC
- 行业评论 从工具到平台:如何化解跨架构时代的工程开发和管理难题
- 面向嵌入式部署的神经网络优化:模型压缩深度解析
- 摩尔线程MTT S5000全面适配Qwen3.5三款新模型
- 阿里达摩院发布玄铁C950,打破全球RISC-V CPU性能纪录
- Mujoco中添加Apriltag标签并实现相机识别教程
- 英飞凌与宝马集团携手合作,基于Neue Klasse架构塑造软件定义汽车的未来
- 物理AI仿真新突破:摩尔线程与五一视界共建全栈国产化生态
- 爆火的OpenClaw! 告别云端,米尔RK3576开发板本地部署
热门新闻
- 莱迪思加入英伟达 Halos生态系统,通过Holoscan传感器桥接技术提升物理人工智能安全性
- 芯科科技闪耀2026嵌入式世界展 以Connected Intelligence赋能,构建边缘智能网联新生态
- 边缘计算主机盒选购指南:五大核心指标解析
- Arm AGI CPU 更多细节:台积电 3nm 制程、Neoverse V3 微架构
- Arm AGI CPU 重磅发布:构筑代理式 AI 云时代的芯片基石
- Arm 拓展其计算平台矩阵,首次跨足芯片产品
- 阿里达摩院发布RISC-V CPU玄铁C950,首次原生支持千亿参数大模型
- 边缘 AI 加速的 Arm® Cortex® ‑M0+ MCU 如何为电子产品注入更强智能
- 阿里达摩院发布玄铁C950,打破全球RISC-V CPU性能纪录
最新频道文章




