车载电驱“芯”引擎:RIGOL功率半导体动态性能测试解决方案解析
2025-07-30 来源:EEWORLD
功率变换器是电能利用的重要装置,其性能主要取决于其核心—功率半导体器件,常见类型有 MOSFET、IGBT和二极管。传统Si器件已逼近材料极限,成为进一步提升效率和功率密度的瓶颈。SiC器件凭借更高开关速度、高结温下同时承受高压大电流等特性,可显著提升转换效率、功率密度并降低系统成本,特别适用于车载逆变器、电动汽车充电桩、光伏、UPS、储能及工业电源等场景。当前国内外 SiC产业链加速成熟,主流厂商已推出多款 SiC产品,成本持续下降,应用正呈爆发式增长。
功率半导体测试需求与挑战
功率半导体动态参数测试(双脉冲测试)是功率半导体研发与应用中的核心评估工具,不仅提供关键动态参数,还通过模拟实际工况揭示器件的潜在风险与优化方向。
以SiC和GaN为代表的第三代半导体的快速发展和应用给新能源汽车行业、电源行业等带来颠覆性的变化,也给设计工程师带来了非常大的测试挑战。如何保证选用的高速功率器件能稳定可靠的运行在自己的产品中,需要了解功率器件的动态特性。
针对上述挑战,RIGOL提供了专业的功率半导体动态参数测试解决方案,助力工程师实现高效评估与优化器件性能。
功率半导体测试目的及原理
保证选用的高速功率器件能稳定可靠的运行在自己的产品中,需要了解功率器件的动态特性,实现如下测试目的:
测量关键动态参数。测量开关损耗、开关时间、反向恢复特性等动态参数,用于优化系统效率、评估器件响应速度、判断其在换流过程中的安全裕量。
验证驱动电路设计。评估栅极驱动电阻的合理性,优化驱动信号上升/下降斜率以减少开关震荡。测试驱动芯片的保护功能是否有效。
对比器件性能。在不同的电压、电流、温度条件下测试,对比不同材料(Si IGBT和SiC MOSFET)或不同厂商器件的性能差异,支持选型决策。
分析寄生参数影响。
评估极端工况下的可靠性。

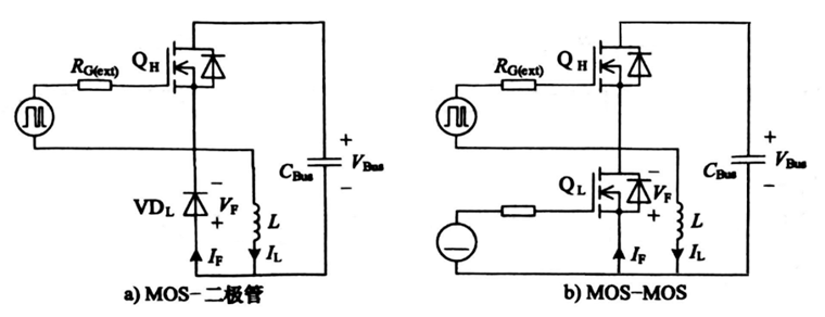
图1:双脉冲测试电路
如图1所示,以SiC MOSFET为例。双脉冲测试电路由母线电容CBus、被测开关管QL、陪测 二极管VDH、驱动电路和负载电感L组成。测试中,向QL发送双脉冲驱动信号,就可以获得 QL在指定电压和电流下的开关特性。实际功率变换器的换流模式有MOS-二极管和MOSMOS两种形式,进行脉冲测试时需要选择与实际变换器相同的形式和器件。对于MOS-MOS 形式,只需要将二极管VDH换成SiC MOSFET QH,并在测试中一直施加关断信号即可。

图2:二极管反向恢复测试电路
在测试二极管反向恢复特性时,被测管为下管,负载电感并联在其两端,陪测管为上管,测试中进行开通关断动作,如图2所示。在整个测试中,QL进行了两次开通和关断,形成了两个脉冲,测量并保留QL的VGS、VDS、IDS波形,就可以对其第一次关断和第二次开通时动态 特性进行分析和评估了。
RIGOL功率半导体动态测试方案
RIGOL功率半导体动态参数测试方案,支持单脉冲、双脉冲及多脉冲测试,集成了示波器、信号发生器、低压直流电源、高压直流电源、电压电流探头和软件。测试项目包括关断参数、开通参数和反向恢复参数。具体有关断延迟td(off))、下降时间tf、关断时间toff、关断能量损耗Eoff、开通延迟td(on)、上升时间tr、开通时间ton、开通能量损耗Eon、反向恢复 时间trr、反向恢复电流Irr、反向恢复电荷Qrr、反向恢复能量Err、电压变化率dv/dt和电流 变化率di/dt等。
RIGOL系统级测试平台三大硬核利器包括MHO/DHO5000系列高分辨率示波器、PIA1000光隔离探头、DG5000 Pro系列函数/任意波形发生器。

图3 双脉冲测试桌面系统
双脉冲测试平台
双脉冲测试是评估功率器件动态特性的黄金标准。RIGOL方案包含以下核心组件:
DG5000 Pro信号发生器:生成高精度双脉冲驱动信号,支持死区时间控制。
PIA1000光隔离探头:1GHz带宽、180dB共模抑制比,精准测量浮地信号(如上管Vgs)。
MHO/DHO5000系列示波器:12bit高分辨率、4GSa/s采样率、500Mpts存储深度,支持多通道同步捕获Vgs、Vds、Ids等信号。

图4:双脉冲测试平台结构

图5 下降时间测试Toff
汽车电子测试正从单一信号捕捉走向系统级功率分析,RIGOL功率半导体动态性能测试解决方案通过高带宽采样、光隔离测量与多脉冲激励,把“毫厘级”的能量损耗转化为可量化、可复现、可对比的数据,帮助客户在第三代半导体时代“测得准、跑得远”。如需了解更多技术细节及最新方案,请访问RIGOL官网或联系专业客服。
- 汇聚多行业装配与自动化解决方案,赋能生产制造降本增效 AHTE 2026观众预登记开启!
- ADI“源”动力——汽车电子篇
- 长电科技汽车电子(上海)有限公司正式启用 打造面向车规级与机器人芯片封测新标杆
- 汽车电子电源设计破局!效率与噪声的双重困境,终于有了新解法
- 艾睿电子推进新一代汽车电子电气架构升级与创新
- 汽车电子EMC测试系统:亚太市场,中国全球竞争力分析
- 零跑汽车电子设计能力技术解析:差异化的核心竞争力
- 助力中国汽车电子产业链健康发展,AEPC汽车电子专业委员会正式启航!
- 宣城立讯入选IPC QML 验证制造商名录,树立汽车电子可靠性新标杆
- 老牌汽车电子企业做 SoC,还有机会回到舞台中央吗?




