51单片机小白零基础教程——点亮第一个小灯以及流水灯
2022-09-23 来源:csdn
一、LED灯电路图分析
(1)LED灯的描述
LED灯:LED全称为发光二级管,可以将电能转换为光能,可以将电信号转为光信号的发光器件。

此图片中LED1-LED8为单片机开发板上的0603型号的贴片LED灯。

此图片为LED灯在电路图中的符号,要想导通LED就必须给二极管正向流过工作电流,LED的基本工作特性为正向导通,反向截止。
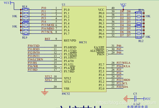
(2)LED灯在电路图中的分析

J9:跳线帽,只有合上跳线帽,2引脚和1引脚才相通,拔掉J9,5V的电压只能在2引脚,到不了1引脚。
RL6、RL7:限流电阻,防止流过LED灯的电流太大,而导致LED灯的烧毁。
我们从图中可以发现LED灯的阳极连接在一起,这种接法被称为共阳极接法。
共阳极接法:几个二极管的阳极接在一起,通常情况下,连接在一起接VCC(高电平)。所以我们想要点亮二极管,只要在对应的二极管的阴极上接上一个低电平就可以。
(3)主控电路分析

由于从图中我们可以看出二极管对应主控芯片上的网络编号为P10到P17,实际上连接的是主控芯片上的P1.0~P1.7引脚,由于二极管是共阳极二极管,所以给P1口给一个低电平,就能导通
二、如何利用Keil uVision4创建一个程序
(软件如何下载在这篇博客中https://editor.csdn.net/md/?articleId=115553027)
2.1 双击之前下载好的软件Keil uVision4

2.2 点击Project 选择里面的New Vision Project 然后新建一个文件夹

2.3 在弹出的窗口中选择Atmel

2.4 选择AT89c52芯片(这个根据自己单片机型号去选择,我这里是AT89c52)

2.5 这里点击否

2.6 点击图中1:新建一个文件;然后点击2:保存

2.7 点击图标上的第一步;直接在文件名中加上.c 然后第二步保存

2.8 点击Target1旁边的+

2.9 双击Source Group 1

2.10 单击led.c 然后文件名以.c为后缀即可

2.11 第一步点击图中所示的1;第二步修改Xtal(MHz)中的数据为11.0592(这个根据自己单片机上的晶震自行修改)

2.12 第一步点击Output;第二步勾选Great HEX File(为了能够烧录到单片机中去);第三步点击OK

至此一个程序的编译环境已经搭建好,下一步可以进行编译程序。
2.13 在图示1中区域进行单片机代码的编写;编写完成之后在图中2处进行编译;在图中3处进行代码检测,看到生成一个文件,而且没有错误,没有警告就说明可以准备烧录进单片机

三、Stc-isp烧录软件的使用
3.1 双击打开Stc-isp软件

3.2 第一步:根据自己单片机的型号进行选择 我的单片机是stc89c52
第二步:选择自己usb的串口号(串口号可以百度怎么查 不知道怎么查 私信我)
第三步:选择内部扩展RAM可用
第四步:勾选所圈出的地方(2个地方都圈出来)
第五步:打开之前在Keil uVision4中建立好的文件
第六步:点击下载/编程就可以烧录进单片机了

四、LED灯程序编写
(1)点亮第一个LED灯
第一种方法:采用位定义的方法
# include sbit LED1 = P1^0; //sbit是单片机中的位定义 一般格式为:sbit标识符 = 地址值 根据原理图可以发现LED1对应的是P1.0口 void main() //主函数 { LED1 = 0; //点亮LED1 //用来注释 /* */这个也可以用来注释 while(1); //让程序在该处停止,这样一个程序有头有尾 } 第二种方法:采用P1口直接控制 # include void main() //主函数 { P1 = 0xfe; //0x可以理解为16进制的表示方法,这里有8个LED灯,LED灯是从低位排到高位的,所以代表的是1111 1110 while(1); //让程序在该处停止,这样一个程序有头有脑 } 从图中我们发现LED1灯被点亮 (2)LED灯的闪烁 #include #define uint unsigned int //define为宏定义,后面不能加分号,它是预处理指令,不是语句,这里用uint代替了unsigned int uint i; //定义了i这个变量 void main() //主函数 { while(1) //这里使用while(1){}语句,由于while里表达式是1,永远为真,所以程序会一直执行{}中的内容 { P1 = 0xaa; //aa转为二进制数为1010 1010 就是代表着第1 3 5 7 4个LED灯亮 i = 65535; while(i--); //用于延时 P1 = 0xff; //ff转为二进制数为1111 1111 就是代表着1 2 3 4 5 6 7 8 8个LED灯全灭 i = 65535; while(i--); //用于延时 } //大括号中的内容大致意思为 灯点亮了 延时一会 灯灭了 再延时一会 灯亮了 延时一会这样根据人的视觉效果就会显示出LED灯的闪烁 } 从图中我们看出第1 3 5 7个LED灯在闪烁 (3)LED流水灯 #include #include #define uint unsigned int #define uchar unsigned char //宏定义 uchar temp; //定义LED灯相关变量 void delay(uint z) { uint x,y; for(x = z;x>0;x--) for(y = 144;y>0;y--); } //毫秒延时函数定义 void delay(uint z); //先进行声明延时函数 void main() //main函数自身就会循环 { temp = 0xfe; //fe 代表的是二进制的1111 1110就是代表第1个灯亮 P1 = temp; delay(100); //调用延时函数 while(1) { temp = _crol_(temp,1); //循环左移动函数 这里的1代表每次左移一个单位 P1 = temp; delay(100); //调用延时函数 } } 从图片中我们看到了LED1从右边往左边进行闪烁,像流水一样进行。 注意:单片机的开发是硬件的开发,大家一定要多进行实践,多看现象,这样才能更快的掌握单片机的技巧。 


- 六大全新产品系列推出,MCX A微控制器家族迎来创新
- 意法半导体全新STM32C5系列,重新定义入门级微控制器性能与价值,赋能万千智能设备
- 模组复用与整机重测在SRRC、CCC、CTA/NAL认证中的实践操作指南
- 从控制到系统:TI利用边缘AI重塑嵌入式MCU的边界
- 有源晶振与无源晶振的六大区别详解
- 英飞凌持续巩固全球微控制器市场领导地位
- 使用 Keil Studio for Visual Studio Code开发 STM32 设备
- 蓝牙信道探测技术原理与开发套件实践
- Microchip 推出生产就绪型全栈边缘 AI 解决方案,赋能MCU和MPU实现 智能实时决策
- LoRa、LoRaWAN、NB-IoT与4G DTU技术对比及工业无线方案选型分析




