PLC控制柜里都有啥?
2025-09-18 来源:elecfans
//在了解PLC控制柜之前我们需要掌握几个要求>>
按图接线,这条说是最高准则也不为过。首先,在接线之前就必须先仔细阅读图纸,充分领会设计者的意图,而不是根据个人所谓丰富经验接线,如果发现不明之处或者矛盾之处应该第一时间与设计师联系确认,直到无误后,接线施工。
02
接线顺序要清晰明了,流程简单具有可检查性。这一条在实际中能做到的很少,基本都是线头一接,盒子一盖完事。
03
多多学习接线技巧,善于灵活运用专业工具。
例如:
问:我们在做PLC柜时,接线板和接线端子很多,处理不好会有松动、毛刺等现象,是直接剥去线皮压入?还是使用插针?还是粘锡?
答:单芯线剥皮后直接压入,多芯线用冷压端子,不建议搪锡。
问:PLC的扩展模块比较多时,公共端和供电端的接线是如何处理的,是通过每个PLC模块上的端子直接并联至下一个模块上,还是接至端子上,在端子排上短接呢?
答:我们在现场维护设备,希望供电电源在端子上分配短接后分别引入用户点(用线号管或在端子上做好标记指明去处),这样直观明了,相互之间影响小,不希望从一点并到另一点,不希望一个端子下接两根以上的线。对于电源端子排,喜欢使用带保险的端子或端子上下之间可以断开连接的那种,查找短路故障时非常方便。
一、PLC内外部电路
1、外部电路接线
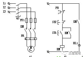
图1是电动机全压起动控制的接触器电气控制线路,控制逻辑由交流接触器KM线圈、指示灯HL1、HL2、热继电器常闭触头FR、停止按钮SB2、起动按钮SB1及接触器常开辅助触头KM通过导线连接实现。
合上QS后按下起动按钮SB1,则线圈KM通电并自锁,接通指示灯HL1所在支路的辅助触头KM及主电路中的主触头, HL1亮、电动机M起动;按下停止按钮SB2,则线圈KM断电,指示灯HL1灭,M停转。

▲图1 电动机全压起动电气控制线路
图2是采用SIEMENS的一款S7系列PLC实现电动机全压起动控制的外部接线图。主电路保持不变,热继电器常闭触头FR、停止按钮SB2、起动按钮 SB1等作为PLC的输入设备接在PLC的输入接口上,而交流接触器KM线圈、指示灯HL1、HL2等作为PLC的输出设备接在PLC的输出接口上。按照逻辑通过执行按照电动机全压控制要求编写并存入程序存储器内的用户程序实现。

▲图2 电动机全压起动PLC控制接线图 a)主电路 b)I/O实际接线图
2、建立内部I/O映像区
在PLC存储器内开辟了I/O映像存储区,用于存放I/O信号的状态,分别称为输入映像寄存器和输出映像寄存器,此外PLC其它编程元件也有相对应的映像存储器,称为元件映像寄存器。
I/O映像区的大小由PLC的系统程序确定,对于系统的每一个输入点总有一个输入映像区的某一位与之相对应,对于系统的每一个输出点也都有输出映像区的某一位与之相对应,且系统的输入输出点的编址号与I/O映像区的映像寄存器地址号也对应。
PLC工作时,将采集到的输入信号状态存放在输入映像区对应的位上,运算结果存放到输出映像区对应的位上,PLC在执行用户程序时所需描述输入继电器的等效触头或输出继电器的等效触头、等效线圈状态的数据取用于I/O映像区,而不直接与外部设备发生关系。
I/O映像区的建立使PLC工作时只和内存有关地址单元内所存的状态数据发生关系,而系统输出也只是给内存某一地址单元设定一个状态数据。这样不仅加快了程序执行速度,而且使控制系统与外界隔开,提高了系统的抗干扰能力。
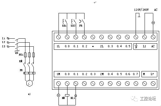
3、内部等效电路
图3是PLC的内部等效电路,以其中的起动按钮SB1为例,其接入接口I0.0与输入映像区的一个触发器I0.0相连接,当SB1接通时,触发器 I0.0就被触发为“1”状态,而这个“1”状态可被用户程序直接引用为I0.0触头的状态,此时I0.0触头与SB1的通断状态相同,则SB1接通,I0.0触头状态为“1”,反之SB1断开,I0.0触头状态为“0”,由于I0.0触发器功能与继电器线圈相同且不用硬连接线,所以I0.0触发器等效为PLC内部的一个I0.0软继电器线圈,直接引用I0.0线圈状态的I0.0触头就等效为一个受I0.0线圈控制的常开触头(或称为动合触头)。

▲图3 PLC内部等效电路
同理,停止按钮SB2与PLC内部的一个软继电器线圈I0.1相连接,SB2闭合,I0.1线圈的状态为“1”,反之为“0”,而继电器线圈I0.1的状态被用户程序取反后引用为I0.1触头的状态,所以I0.1等效为一个受I0.1线圈控制的常闭触头(或称动断触头)。而输出触头Q0.0、Q0.1则是PLC内部继电器的物理常开触头,一旦闭合,外部相应的KM线圈、指示灯HL1就会接通。PLC输出端有输出电源用的公共接口COM。
二、PLC控制系统
用PLC实现电动机全压起动电气控制系统,其主电路基本保持不变,而用PLC替代电气控制线路。
1、PLC控制系统构成
图4是电动机全压起动的PLC控制系统基本构成图,可将之分成输入电路、内部控制电路和输出电路三个部分。

▲图4 PLC控制系统基本构成框图
输入电路
输入电路的作用是将输入控制信号送入PLC,输入设备为按钮SB1、SB2及FR常闭触头。外部输入的控制信号经PLC输入到对应的一个输入继电器,输入继电器可提供任意多个常开触头和常闭触头,供PLC内容控制电路编程使用。
输出电路
输出电路的作用是将PLC的输出控制信号转换为能够驱动KM线圈和HL1指示灯的信号。PLC内部控制电路中有许多输出继电器,每个输出继电器除了 PLC内部控制电路提供编程用的常开触头和常闭触头外,还为输出电路提供一个常开触头与输出端口相连,该触头称为内部硬触头,是一个内部物理常开触头。通过该触头驱动外部的KM线圈和HL1指示灯等负载,而KM线圈再通过主电路中KM主触头去控制电动机M的起动与停止。驱动负载的电源由外电部电源提供,PLC的输出端口中还有输出电源用的COM公共端。
内部控制电路
内部控制电路由按照被控电动机实际控制要求编写的用户程序形成,其作用是按照用户程序规定的逻辑关系,对输入、输出信号的状态进行计算、处理和判断,然后得到相应的输出控制信号,通过控制信号驱动输出设备:电动机M、指示灯HL1等。
用户程序通过个人计算机通信或编程器输入等方式,把程序语句全部写到PLC的用户程序存储器中。用户程序的修改只需通过编程器等设备改变存储器中的某些语句,不会改变控制器内部接线,实现了控制的灵活性。
2、PLC控制梯形图
梯形图是一种将PLC内部等效成由许多内部继电器的线圈、常开触头、常闭触头或功能程序块等组成的等效控制线路。图5是PLC梯形图常用的等效控制元件符号。

▲图5 梯形图常用等效控制元件符号a)线圈 b)常开触头 c)常闭触头
图6是电动机全压起动的PLC控制梯形图,由FR常闭触头、SB2常闭按钮、KM常开辅助触头与SB1常开按钮的并联单元、KM线圈等零件对应的等效控制元件符号串联而成。电动机全压起动控制梯形在形式上类似于接触器电气控制线路图,但也与电气控制线路图存在许多差异。

▲图6 电动机全压起动控制梯形图
梯形图中继电器元件物理结构不同于电气元件
PLC梯形图中的线圈、触头只是功能上与电气元件的线圈、触头等效。梯形图中的线圈、触头在物理意义上只是输入、输出存储器中的一个存储位,与电气元件的物理结构不同。
梯形图中继电器元件的通断状态不同于电气元件
梯形图中继电器元件的通断状态与相应存储位上的保存的数据相关,如果该存储位的数据为“1”,则该元件处于“通”状态,如果该位数据为“0”,则表示处于“断”状态。与电气元件实际的通断状态不同。
梯形图中继电器元件状态切换过程不同于电气元件
梯形图中继电器元件的状态切换只是PLC对存储位的状态数据的操作,如果PLC对常开触头等效的存储位数据赋值为“1”,就完成动合操作过程,同样如对常闭触头等效的存储位数据赋值为“0”,就可完成动断操作过程,切换操作过程没有时间延时。而电气元件线圈、触头进行动合或动断切换时,必定有时间延时,且一般要经过先断开后闭合的操作过程。
梯形图中继电器所属触头数量与电气元件不同
如果PLC 从输入继电器I0.0相应的存储位中取出了位数据“0”,将之存入另一个存储器中的一个存储位,被存入的存储位就成了受I0.0继电器控制的一个常开触头,被存入的数据为“0”;如在取出位数据“0”之后先进行取反操作,再存入一个存储器的一个存储位,则该位存入的数据为“1”,该存储位就成了受继电器 I0.0控制的一个常闭触头。
只要PLC内部存储器足够多,这种位数据转移操作就可无限次进行,而每进行一次操作,就可产生一个梯形图中的继电器触头,由此可见,梯形图中继电器触头原则上可以无限次反复使用。
但是PLC内部的线圈通常只能引用一次,如需重复使用同一地址编号的线圈应慎之又慎。与PLC不同的是电气元件中触头数量是有限的。
梯形图每一行画法规则为从左母线开始,经过触头和线圈(或功能方框),终止于右母线。一般并联单元画在每行的左侧、输出线圈则画在右侧,其余串联元件画在中间。
上一篇:什么是电量变送器
- 嵌入式的风向变了:2026纽伦堡嵌入式展透露这些趋势
- 高通确认不在GDC 2026发布新款骁龙G系列掌机处理器SoC
- 行业评论 从工具到平台:如何化解跨架构时代的工程开发和管理难题
- 面向嵌入式部署的神经网络优化:模型压缩深度解析
- 摩尔线程MTT S5000全面适配Qwen3.5三款新模型
- Mujoco中添加Apriltag标签并实现相机识别教程
- 阿里达摩院发布玄铁C950,打破全球RISC-V CPU性能纪录
- 英飞凌与宝马集团携手合作,基于Neue Klasse架构塑造软件定义汽车的未来
- 物理AI仿真新突破:摩尔线程与五一视界共建全栈国产化生态
- 爆火的OpenClaw! 告别云端,米尔RK3576开发板本地部署
- 边缘计算主机盒选购指南:五大核心指标解析
- Arm AGI CPU 更多细节:台积电 3nm 制程、Neoverse V3 微架构
- Arm AGI CPU 重磅发布:构筑代理式 AI 云时代的芯片基石
- Arm 拓展其计算平台矩阵,首次跨足芯片产品
- 阿里达摩院发布RISC-V CPU玄铁C950,首次原生支持千亿参数大模型
- 边缘 AI 加速的 Arm® Cortex® ‑M0+ MCU 如何为电子产品注入更强智能
- 阿里达摩院发布玄铁C950,打破全球RISC-V CPU性能纪录
- VPU中的“六边形战士”:安谋科技Arm China发布“玲珑”V560/V760 VPU IP
- 利用锚定可信平台模块(TPM)的FPGA构建人形机器人安全




