CW32电机控制基础——无刷直流电机换相控制原理
2025-10-13 来源:elecfans
与有刷直流电机相比,无刷直流电机除使用电子换相器取代有刷直流电机电刷机械换向,使用永磁体产生转子磁场外,从结构和工作原理上都和有刷直流电机相类似,故其控制策略也和有刷直流电机类似。
本文重点讲解CW32MCU控制驱动的无刷直流电机的换相控制、调压控制、无感BLDC转子位置检测、无感启动策略、PID控制原理、速度调节等相关技术。
1. 六步梯形换相
本文对无刷直流电机的控制都是基于六步梯形控制法。
在Y型连接的BLDC 电机中,如图1所示,电机具有三条引线,每条引线与一个绕组相连。每个绕组(或串联绕组)与一个公共点相连,该公共点为所有三个绕组共同使用。在图1中,R为定义为红色,G定义为绿色,B定义为蓝色。

图1 Y型BLDC电机原理图
一个简单的BLDC 电机的基本构造如图2所示。电机外层是定子,包含电机绕组。 电机内部是转子,转子由围绕电机圆周的极性相反的磁极组成,图2显示了仅带有两个磁极(南北磁极)的转子。在实际应用中,大多数电机的转子具有多对磁极。
当电流流过电机绕组时电机起动,如图2中的箭头所示。在该示例中,红色(R)引线上施加了正电势,而绿色(G)引线上施加了反电势。 在这种情况下给电机绕组充电会在定子上产生磁场,由N和S标记指示。然后转子旋转,以使转子的北磁极与定子磁场的南磁极对齐。同样的,转子的南磁极与定子磁场的北磁极对齐。

图2 BLDC电机基本构造
图3说明了六步换相的工作原理。每一步或每一区间,相当于60个电角度。六个区间组成了360个电角度或一次电气旋转。
绕组图中的箭头显示了在每一步中流过电机绕组的电流方向。图中显示了在六步换相期间每个电机引线上施加的电势。六步换相序列使电机进行了一次电气旋转。

图3 六步换相电流流向

图4 六步换相加电顺序
六步换相步骤:
1.给红色绕组加正电。给绿色绕组加负电。蓝色绕组未通电。
2.给红色绕组加正电。给蓝色绕组加负电。绿色绕组未通电。
3.给绿色绕组加正电。给蓝色绕组加负电。红色绕组未通电。
4.给绿色绕组加正电。给红色绕组加负电。蓝色绕组未通电。
5.给蓝色绕组加正电。给红色绕组加负电。绿色绕组未通电。
6.给蓝色绕组加正电。给绿色绕组加负电。红色绕组未通电。
每一区间上都有两个绕组通电,一个绕组未通电。每一区间均有一个绕组未通电,是六步控制的重要特征。六步循环加电,可完成电机按指定方向旋转。
注意:要保持定子中的磁场超前于转子磁场,那么一区间到另一区间的转变必须发生在转子处于特定位置的时刻,从而获得最佳转矩。
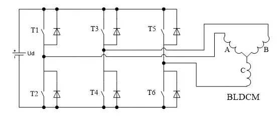
2. BLDC换相电路
普通直流电动机的电枢在转子上,由定子产生静止恒磁场。为了使直流电动机旋转,需要通过换向器和电刷不断改变电枢绕组中的电流方向,使定、转子两个磁场的方向始终保持相互垂直,从而产生恒定的转矩驱动电动机不断旋转。
无刷直流电机为了取消电刷,将电枢绕组移至定子上,而转子由永磁体构成。为了使电机转子旋转起来,必须使定子电枢各相绕组不断地依次换相通电,这样才能使定子磁场随着转子位置不断变化,使定子磁场和转子永磁磁场始终保持约90°的空间角,产生转矩推动转子旋转。三相电机换相电路如图5所示。

图5 BLDC换相电路
如图5所示,T1~T6为功率开关器件。此开关器件在低压电机电路中多采用MOSFET器件,而在高压电机(> 100V)应用中,IGBT和高压碳化硅则较为广泛。
此BLDC换相电路也称逆变电路。通过控制此六个开关管的开关顺序可实现的不同绕组加电,完成六步换相要求。当开关管T1和T4导通,其它开关管截止时,电流将从绕组A端流入B端流出;当开关管T1、T6导通,其它开关管截止时,电流将从绕组A端流入C端流出;当T3,T6导通,其它开关管截止时,电流将从绕组B端注入C端流出;以此类推,可按要求实现不同绕组加电,当T5、T4导通,其它开关管截止时,电流将从绕组C端注入B端流出。其中,任意时刻不能上下管同时导通,即,不能T1和T2同时导通、不能T3和T4同时导通,不能T5和T6同时导通。
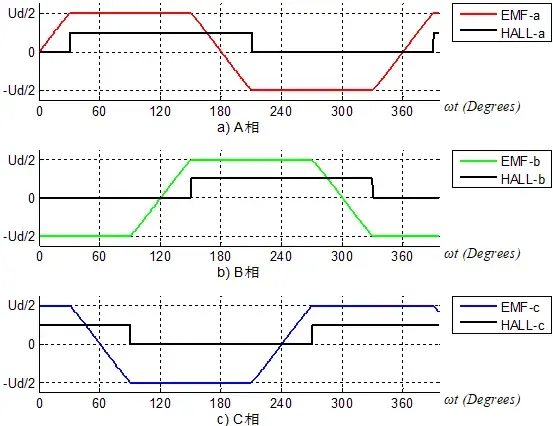
3. 有感BLDC换相控制逻辑
不同绕组的通电切换,必须在转子转到相应位置时进行,即换相须准确及时的进行。换相控制是保证无刷直流电机正常旋转的基础。有霍尔传感器的无刷直流电机中,一般安装3个霍尔传感器中,间隔60°和120°按圆周分布。如果间隔60°,则输出波形相差60°电角度。如果间隔120°,则3个霍尔传感器的输出波形相差120°电角度,输出信号中高、低电平各占180°电角度。
以120°霍尔式位置传感器为例,三相无刷直流电机反电势和传感器输出信号间相位关系见图6。

图6 BLDC反电势和传感器信号
图6中,HALL-a、HALL-b、HALL-c为三个霍尔传感器在电机运转中的波形。EMF-a、EMF-b、EMF-c为电机反电势电压波形。
由图可知,无刷直流电机反电势为正负半波皆有120°平台的梯形波,三相间相差为120°;3个位置传感器(电角度间距120°传感器)相差为120°,其上升或下降沿位置即对应定子电枢绕组导通时刻。如此,可通过对霍尔传感器信号的检测,经由功率MOSFET或IGBT功率开关器件构成的电子换相电路实现换相,使电枢绕组依次通电,从而在定子上产生跳跃式的旋转磁场,驱动永磁转子旋转。随着转子的旋转,位置传感器输出信号不断变化,电枢绕组的通电状态随之改变,使得在某一磁极下导体的电流方向始终保持不变,这就是无刷直流电机的无接触换相过程。
具体的换相控制方式有2种:二二导通方式和三三导通方式。
1.二二导通方式
二二导通方式是每次使2个开关管同时导通。以图5-5为例,其导通顺序有:T1、T4→T1、T6→T3、T6→T3、T2→T5、T2→T5、T4,共有6种导通状态,每隔60°改变一次导通状态,每次改变仅切换一个开关管,每个开关管连续导通120°。
当T1、T4导通时,电流流通的方向:电源(+)→T1→A相绕组→B相绕组→T4→地。设电流流入绕组产生的转矩为正,流出绕组产生的转矩为负,则合成转矩大小为T14=√3T,(TA=TB=TC)方向在TA与TB的角平分线上。
无刷电机正反转与开关管开关状态及传感器信号间关系如图7所示。

图7 120°HALL无刷电机正反转换相
由图可知二二导通方式换相控制真值表如表1所示。
表1 120°HALL换相真值表

图8为一60°HALL安装的电机。其极对数为2,极数为4极,3个霍尔传感器间隔 60°按圆周分布。因为极对数为2,所以一个机械周期含2机电角度周期。在应用中,按图所示的HALL信号状态进行绕组换相即可。即当HALL ABC状态为001、000、100、110、111、011时,绕组通电顺序分别为:A+C-、A+B-、C+ B-、C+A-、B+A-、B+C-。若使电机按反方向运转动,只需将绕组电流按反向通电即可。即反向控制时,当HALL ABC状态为001、000、100、110、111、011时,绕组通电顺序分别为:C+A-、B+A-、B+C-、A+C-、A+B-、C+ B-。

图8 60°HALL无刷电机换相
2.三三导通方式
三三导通方式是每次使3个开关管同时导通,有:T1、T5、T4→T1、T4、T6→T1、T3、T6→T3、T6、T2→T3、T5、T2→T5、T2、T4共6种导通状态,每隔60°改变一次导通状态,每次仅切换一个开关管,但是每个开关管连续导通180°。合成转矩大小为T154=1.5TB,TB方向。
二二导通方式很好地利用了方波气隙磁场的平顶部分,使得电机的出力大,电磁转矩比三三导通方式大、且转矩平稳性好。如不加特别说明,后续三相H桥的导通控制方式皆指二二导通方式。
二二导通方式在每组绕组导通区间均有另外一个绕组未通电,所以二二导通方式也是六步换相控制方式。
在CW32生态社区开源的众多无刷电机控制DEMO例程中,很好的体现了本文所述的诸多控制方式。
- 嵌入式的风向变了:2026纽伦堡嵌入式展透露这些趋势
- 高通确认不在GDC 2026发布新款骁龙G系列掌机处理器SoC
- 行业评论 从工具到平台:如何化解跨架构时代的工程开发和管理难题
- 面向嵌入式部署的神经网络优化:模型压缩深度解析
- 摩尔线程MTT S5000全面适配Qwen3.5三款新模型
- 阿里达摩院发布玄铁C950,打破全球RISC-V CPU性能纪录
- Mujoco中添加Apriltag标签并实现相机识别教程
- 英飞凌与宝马集团携手合作,基于Neue Klasse架构塑造软件定义汽车的未来
- 物理AI仿真新突破:摩尔线程与五一视界共建全栈国产化生态
- 爆火的OpenClaw! 告别云端,米尔RK3576开发板本地部署
- 莱迪思加入英伟达 Halos生态系统,通过Holoscan传感器桥接技术提升物理人工智能安全性
- 芯科科技闪耀2026嵌入式世界展 以Connected Intelligence赋能,构建边缘智能网联新生态
- 边缘计算主机盒选购指南:五大核心指标解析
- Arm AGI CPU 更多细节:台积电 3nm 制程、Neoverse V3 微架构
- Arm AGI CPU 重磅发布:构筑代理式 AI 云时代的芯片基石
- Arm 拓展其计算平台矩阵,首次跨足芯片产品
- 阿里达摩院发布RISC-V CPU玄铁C950,首次原生支持千亿参数大模型
- 边缘 AI 加速的 Arm® Cortex® ‑M0+ MCU 如何为电子产品注入更强智能
- 阿里达摩院发布玄铁C950,打破全球RISC-V CPU性能纪录




